
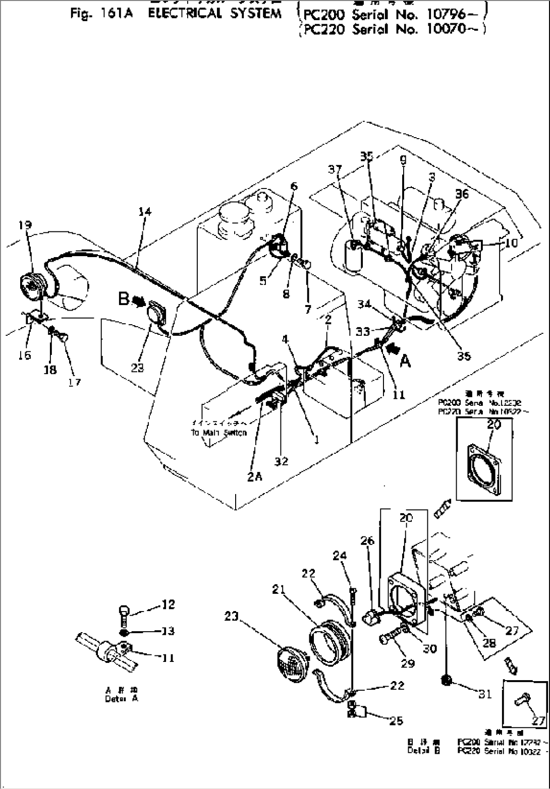
| Item | Part No. | Part Name | Qty | Serial No. |
| 1 | 205-06-62122 | WIRE ASS'Y | 10070- | |
| 2 | 08028-14200 | WIRE, 2000MM | 10070- | |
| 2A | 08028-14150 | WIRE, 1500MM | 10070- | |
| 3 | 205-06-51360 | WIRE | 10001- | |
| 4 | 08028-14375 | WIRE, 3750MM | 10070- | |
| 5 | 205-06-51350 | WIRE | 10001- | |
| 6 | 205-06-51340 | VALVE,HORN | 10001- | |
| 7 | 01010-30816 | BOLT | 10001- | |
| 8 | 01602-00825 | WASHER | 10001- | |
| 9 | 08038-00035 | CAP | 10070- | |
| 10 | 08038-00519 | CAP | 10001- | |
| 11 | 08036-03014 | CLIP | 10001- | |
| 12 | 01010-31025 | BOLT | 10001- | |
| 13 | 01643-31032 | WASHER | 10001- | |
| 14 | 205-06-51370 | WIRE | 10001- | |
| 15 | 205-06-51390 | CABLE | 10001- | |
| 16 | 203-06-21290 | PLATE | 10001- | |
| 17 | 01010-31430 | BOLT | 10001- | |
| 18 | 01643-31445 | WASHER | 10001- | |
| 19 | 08128-32400 | LAMP | 10001- | |
| 19 | 08113-02480 | BULB, 80W | 10001- | |
| 19 | 08128-00003 | HOLDER | 10001- | |
| 203-06-31300 | LAMP ASS'Y | 10001- | ||
| 20 | 203-06-31341 | BASE | 10322- | |
| 20 | \3\203-06-31340 | BASE | 10001-10321 | |
| (203-06-31341,04400-00412) | ||||
| 21 | 08128-00003 | HOLDER | 10001- | |
| 22 | 08128-00004 | BAND | 10001- | |
| 23 | 08113-02480 | BULB, 80W | 10001- | |
| 24 | 01220-30420 | SCREW | 10001- | |
| 25 | 01580-00403 | NUT | 10001- | |
| 26 | 175-06-23230 | SOCKET | 10001- | |
| 27 | 04400-00412 | RIVET | 10322- | |
| 27 | 01220-30408 | SCREW | 10001-10321 | |
| 28 | 01601-00410 | WASHER | 10001-10321 | |
| 29 | 01220-30816 | SCREW | 10001- | |
| 30 | 01602-00825 | WASHER | 10001- | |
| 31 | 08037-01610 | GROMMET | 10001- | |
| 32 | 206-54-15750 | SEAL | 10001- | |
| 33 | 205-62-55780 | COVER | 10001-10651 | |
| 34 | 08034-00519 | BAND | 10001-10651 | |
| 35 | 08034-00414 | BAND | 10001- | |
| 36 | (08620-00000) | SENSOR | 10001- | |
| 37 | (08073-00505) | SWITCH,OIL PRESSURE | .- | |
| 37 | \0\08073-00510 | SWITCH,OIL PRESSURE | 10001-. |
