
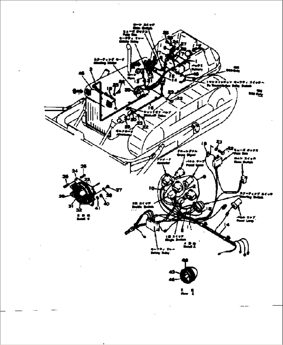
| Item | Part No. | Part Name | Qty | Serial No. |
| 1 | 144-06-24590 | WIRE | 34001- | |
| 2 | 144-06-24231 | CABLE | 29990- | |
| 3 | 144-06-24142 | WIRE | 34001- | |
| 4 | 144-06-24153 | WIRE | 34001- | |
| 5 | 144-06-24191 | WIRE | 29990- | |
| 6 | 144-06-24222 | WIRE | 29990- | |
| 7 | 144-06-14460 | WIRE | 29990- | |
| 8 | 144-06-24182 | WIRE ASS'Y | 34001- | |
| 9 | 144-06-24520 | WIRE | 29990- | |
| 10 | 144-06-24530 | WIRE | 29990- | |
| 11 | 144-06-24540 | WIRE | 29990- | |
| 12 | 144-06-24134 | WIRE ASS'Y | 34001- | |
| 13 | 144-06-24123 | WIRE | 34001- | |
| 14 | 144-06-24117 | WIRE ASS'Y | 34001- | |
| 15 | 08036-10814 | CLIP | 34001- | |
| 16 | 144-06-24164 | WIRE ASS'Y | 34001- | |
| 17 | 141-06-34321 | WIRE | 29990- | |
| 18 | 144-06-24173 | WIRE | 34001- | |
| 19 | 08035-01514 | CLIP | 34001- | |
| 20 | 08035-02514 | CLIP | 34001- | |
| 21 | 08035-03014 | CLIP | 34001- | |
| 22 | 01010-31016 | BOLT | 34001- | |
| 23 | 01602-01030 | WASHER | 34001- | |
| 24 | 08088-10000 | SWITCH,BATTERY | 29990- | |
| 25 | 01010-30818 | BOLT | 29990- | |
| 26 | 01602-00825 | WASHER | 29990- | |
| 27 | 01580-00806 | NUT | 29990- | |
| 28 | 08038-00035 | CAP | 29990- | |
| 29 | 08038-00519 | CAP | 29990- | |
| 30 | 08038-02027 | CAP | 29990- | |
| 31 | 144-06-13102 | HEAD LAMP ASS'Y,L.H. (WHITE) | 29990- | |
| 31 | 144-826-1160 | HEAD LAMP ASS'Y,L.H. (COLD TERRAIN SPEC.) (YELLOW) | 29990- | |
| 31 | 144-06-13202 | HEAD LAMP ASS'Y,R.H. (WHITE) | 29990- | |
| 31 | 144-826-1120 | HEAD LAMP ASS'Y,R.H. (COLD TERRAIN SPEC.) (YELLOW) | 29990- | |
| 31 | 144-06-13311 | LAMP | 29990- | |
| 32 | 08113-02480 | BULB, 80W | 29990- | |
| 33 | 144-06-13330 | HOLDER | 29990- | |
| 34 | 144-06-13130 | BRACKET | 29990- | |
| 34 | 144-06-13220 | BRACKET | 29990- | |
| 35 | 131-06-43230 | SCREW | 29990- | |
| 36 | 144-06-13150 | SPRING | 29990- | |
| 37 | 01210-40408 | SCREW | 29990- | |
| 38 | 01601-00410 | WASHER | 29990- | |
| 39 | 144-06-13120 | GUARD | 29990- | |
| 40 | 01580-00605 | NUT | 29990- | |
| 41 | 01602-00619 | WASHER | 29990- | |
| 42 | 08128-02400 | HEAD LAMP ASS'Y | 29990- | |
| 43 | 08113-02480 | BULB, 80W | 29990- | |
| 44 | 08128-00003 | HOLDER | 29990- | |
| 45 | 144-06-24560 | WIRE | 34001- | |
| 46 | 144-06-24580 | WIRE | 34001- |
