
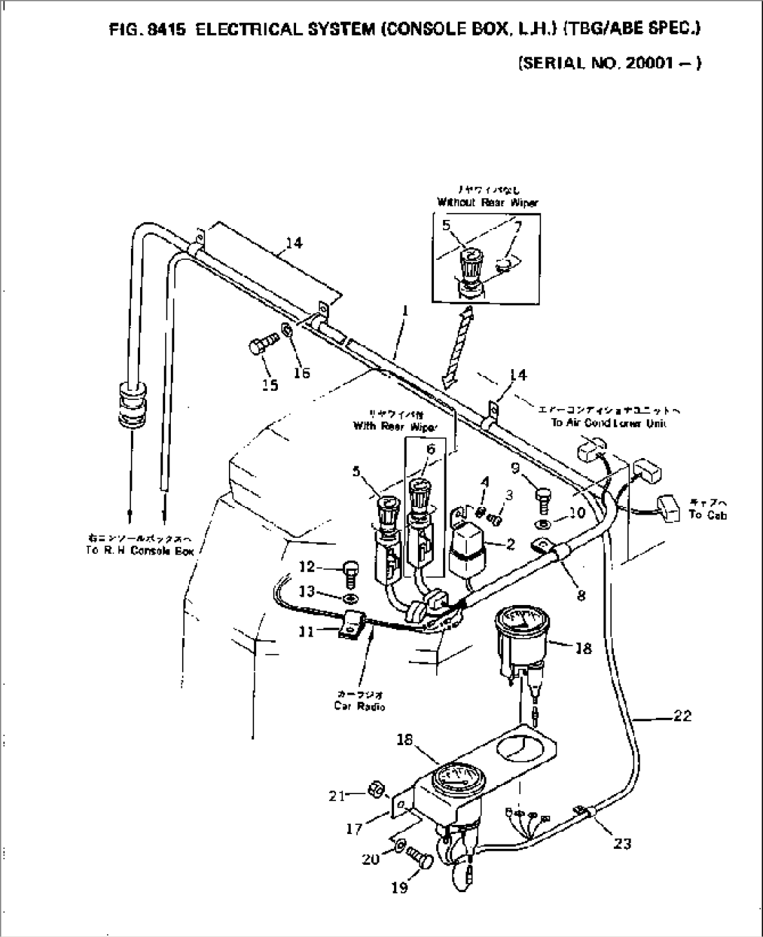
Item | Part No. | Part Name | Qty | Serial No. |
1 | 421-06-12581 | WIRE ASS'Y | 20001- | |
2 | 421-06-11940 | RELAY,AIR CONDITIONER | 20001- | |
3 | 01220-40610 | SCREW | 20001- | |
4 | 01641-20608 | WASHER | 20001- | |
5 | 421-06-16141 | SWITCH,WIPER, FRONT | 20001- | |
6 | 421-06-16150 | SWITCH,WIPER, REAR | 20001- | |
7 | 09415-00506 | CAP,(WITHOUT REAR WIPER) | 20001- | |
8 | 08036-01814 | CLIP | 20001- | |
9 | 01010-51020 | BOLT | 20001- | |
10 | 01643-31032 | WASHER | 20001- | |
11 | 08036-10814 | CLIP | 20001- | |
12 | 01010-51020 | BOLT | 20001- | |
13 | 01643-31032 | WASHER | 20001- | |
14 | 08036-01414 | CLIP | 20001- | |
15 | 01010-51020 | BOLT | 20001- | |
16 | 01643-31032 | WASHER | 20001- | |
17 | 423-06-11520 | BRACKET | 20001- | |
18 | 423-06-11510 | GAUGE,AIR | 20001- | |
19 | 01010-50616 | BOLT | 20001- | |
20 | 01643-30623 | WASHER | 20001- | |
21 | 01580-10605 | NUT | 20001- | |
22 | 421-06-13381 | WIRE ASS'Y | 20001- | |
23 | 08036-11214 | CLIP | 20001- |