
| Item | Part No. | Part Name | Qty | Serial No. |
| 417-62-31581 | Valve Assembly | 71523- | ||
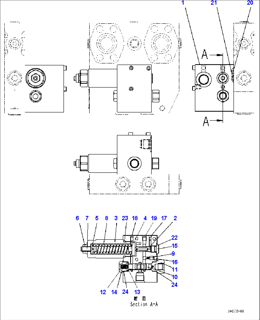
| UC4100698141 | Valve Assembly, Block | 70883- | ||
| 1 | Body | 70883- | ||
| 2 | Spool | 70883- | ||
| 3 | (UC1100693534) | Guide | 70883- | |
| 4 | (UC1100393552) | Seat, Spring | 70883- | |
| 5 | (UC1100693561) | Seat, Spring | 70883- | |
| 6 | (UC1701532717) | Nut, Lock, Seal, Hexagon | 70883- | |
| 7 | (UC1801721079) | Screw, Adjusting | 70883- | |
| 8 | (UC1100693589) | Spring | 70883- | |
| 9 | UC1198253902 | Orifice | 70883- | |
| 10 | Spool | 70883- | ||
| 11 | UC1100693579 | Bushing | 70883- | |
| 12 | Plug | 70883- | ||
| 13 | UC1100693617 | Seat, Spring | 70883- | |
| 14 | UC1100693608 | Spring | 70883- | |
| 15 | UC1198273603 | Plug | 70883- | |
| 16 | UC1301891009 | Plug | 70883- | |
| 17 | Plug | 70883- | ||
| 18 | Plug | 70883- | ||
| 19 | Plug Cord, Double | 70883- | ||
| 20 | UC1300022009 | O-ring | 70883- | |
| 21 | UC1300026002 | O-ring | 70883- | |
| 22 | UC1301169009 | O-ring | 70883- | |
| 23 | UC1301220003 | O-ring | 70883- | |
| 24 | UC1800011702 | O-ring | 70883- |
