
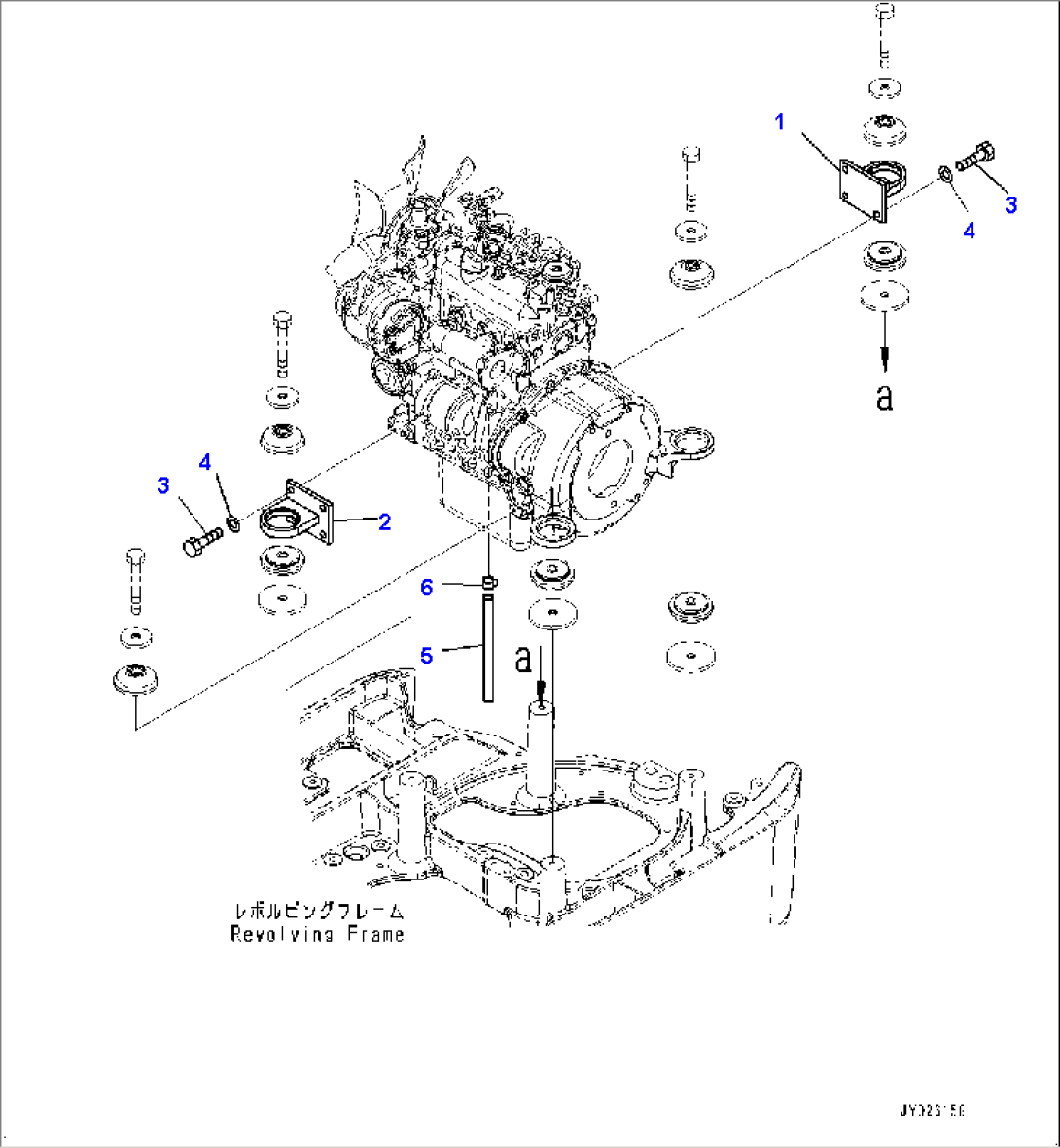
| Item | Part No. | Part Name | Qty | Serial No. |
| 1 | 22J-01-25213 | Bracket | 20465-22000 | |
| 2 | 22J-01-25223 | Bracket | 20465-22000 | |
| 3 | 22J-01-25340 | Bolt | 20465-22000 | |
| 4 | 01643-31032 | Washer | 20465-22000 | |
| 5 | 07270-01217 | Tube | 20465-22000 | |
| 6 | 07285-00130 | Clip | 20465-22000 |

| Item | Part No. | Part Name | Qty | Serial No. |
| 1 | 22J-01-25213 | Bracket | 20465-22000 | |
| 2 | 22J-01-25223 | Bracket | 20465-22000 | |
| 3 | 22J-01-25340 | Bolt | 20465-22000 | |
| 4 | 01643-31032 | Washer | 20465-22000 | |
| 5 | 07270-01217 | Tube | 20465-22000 | |
| 6 | 07285-00130 | Clip | 20465-22000 |