
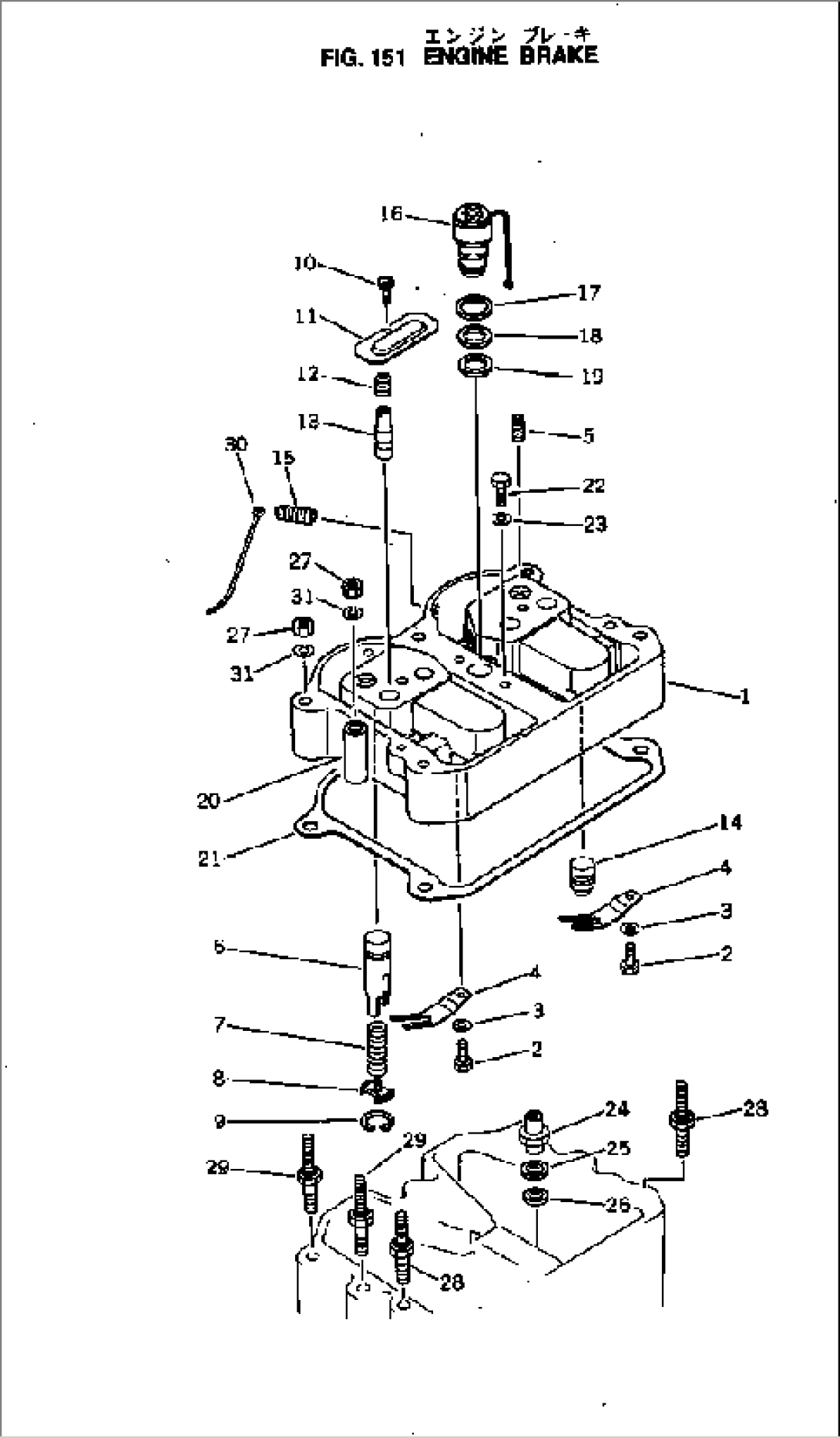
| Item | Part No. | Part Name | Qty | Serial No. |
| 6684-91-5000 | ENGINE BRAKE ASS'Y | 13588- | ||
| (6684-91-5600) | CAB CONTROL GROUP | 13588- | ||
| (6684-91-5800) | ENGINE CONTROL GROUP | 13588- | ||
| (6684-91-5010) | TOOL KIT | 13588- | ||
| 6684-91-5100 | BRAKE HOUSING ASS'Y | 13588- | ||
| 1 | 6684-91-5110 | HOUSING ASS'Y | 13588- | |
| 2 | 02010-20413 | BOLT | 13588- | |
| 3 | 02300-10920 | WASHER | 13588- | |
| 4 | 6684-91-5140 | SPRING | 13588- | |
| 5 | 6684-91-5170 | SCREW,SET | 13588- | |
| 6 | 6684-91-5180 | PISTON | 13588- | |
| 7 | 6684-91-5190 | SPRING | 13588- | |
| 8 | 6684-91-5210 | RETAINER | 13588- | |
| 9 | 6684-91-5220 | RING,SNAP | 13588- | |
| 10 | 02100-00310 | BOLT | 13588- | |
| 11 | 6684-91-5240 | COVER,CONTROL VALVE | 13588- | |
| 12 | 6684-91-5250 | SPRING | .- | |
| 12 | 6684-91-5250 | SPRING | 13588-. | |
| 13 | 6684-91-5260 | SPOOL ASS'Y | .- | |
| 13 | 6684-91-5260 | SPOOL ASS'Y | 13588-. | |
| 14 | 6684-91-5270 | PISTON,MASTER | 13588- | |
| 15 | 6684-91-5290 | TERMINAL | 13588- | |
| 16 | 6684-91-5340 | VALVE ASS'Y,SOLENOID | 13588- | |
| 17 | 6684-91-5350 | SEAL,RING, UPPER | 13588- | |
| 18 | 6684-91-5360 | SEAL,RING, CENTER | 13588- | |
| 19 | 6684-91-5370 | SEAL,RING, LOWER | 13588- | |
| 20 | 6684-91-5690 | SPACER | 13588- | |
| 6684-91-5500 | ATTACHING PARTS G. | 13588- | ||
| 21 | 6684-91-5512 | GASKET (K1) | 13588- | |
| 22 | 6684-91-5520 | BOLT | 13588- | |
| 23 | 6684-91-5530 | WASHER | 13588- | |
| 24 | 6684-91-5540 | EXTENSION,OIL PIPE | 13588- | |
| 25 | 6684-91-5550 | WASHER | 13588- | |
| 26 | 6684-91-5560 | SEAL,RING | 13588- | |
| 27 | 02205-10812 | NUT | 13588- | |
| 28 | 6684-91-5590 | STUD | 13588- | |
| 29 | 6684-91-5870 | STUD | 13588- | |
| 30 | 6684-91-5840 | HARNESS | 13588- | |
| 31 | 02310-11632 | WASHER,SPRING | 13588- |
