
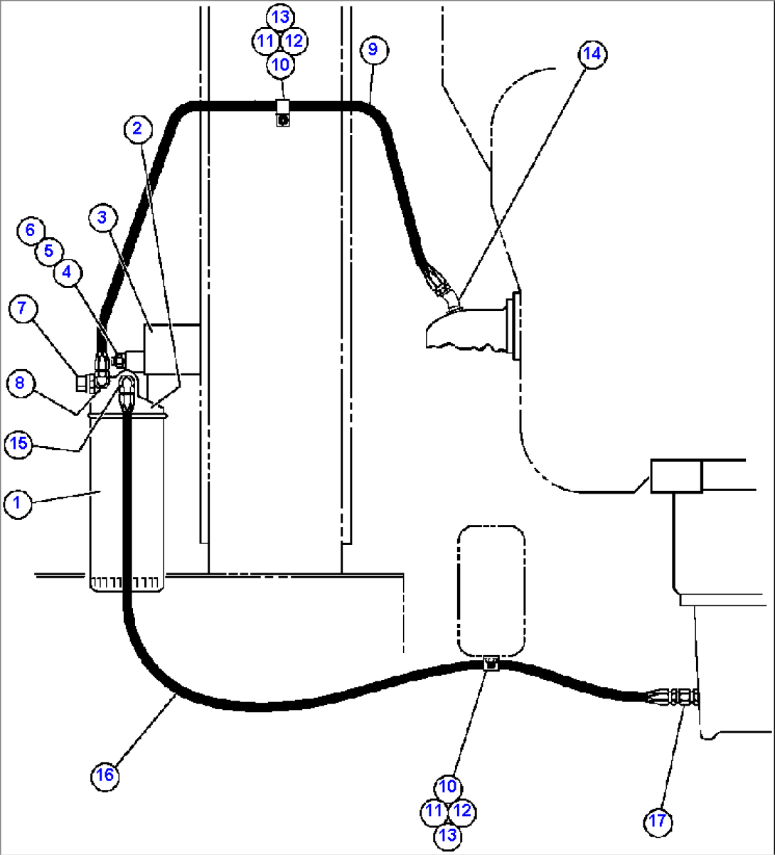
| Item | Part No. | Part Name | Qty | Serial No. |
| 1 | VS7035 | FILTER, BY-PASS (SPIN-ON) | ||
| 2 | PB4799 | HEAD, FILTER | ||
| 3 | CHANNEL, MOUNTING (1) | |||
| 4 | C1610 | CAPSCREW - 7/16" - 14NC X 2" | ||
| 5 | C5775 | LOCKWASHER - 7/16" | ||
| 6 | C5572 | NUT - 7/16" - 14NC | ||
| 7 | VM0316 | PLUG, O-RING | ||
| 8 | TV4027 | ELBOW - 90 DEG | ||
| 9 | KA7928 | HOSE | ||
| 10 | TG2568 | CLAMP | ||
| 11 | VC2195 | WELD STUD - 3/8" - 16NC X 1" | ||
| 12 | C0312 | LOCKWASHER - 3/8" | ||
| 13 | C1521 | NUT - 3/8" - 16NC | ||
| 14 | WB0287 | ELBOW - 45 DEG | ||
| 15 | VH4143 | ELBOW - 90 DEG | ||
| 16 | HA1593 | HOSE | ||
| 17 | WB0466 | ADAPTOR, STRAIGHT | ||
| NS|18 | NOTE: (1) NOT SERVICED SEPARATELY. |
