
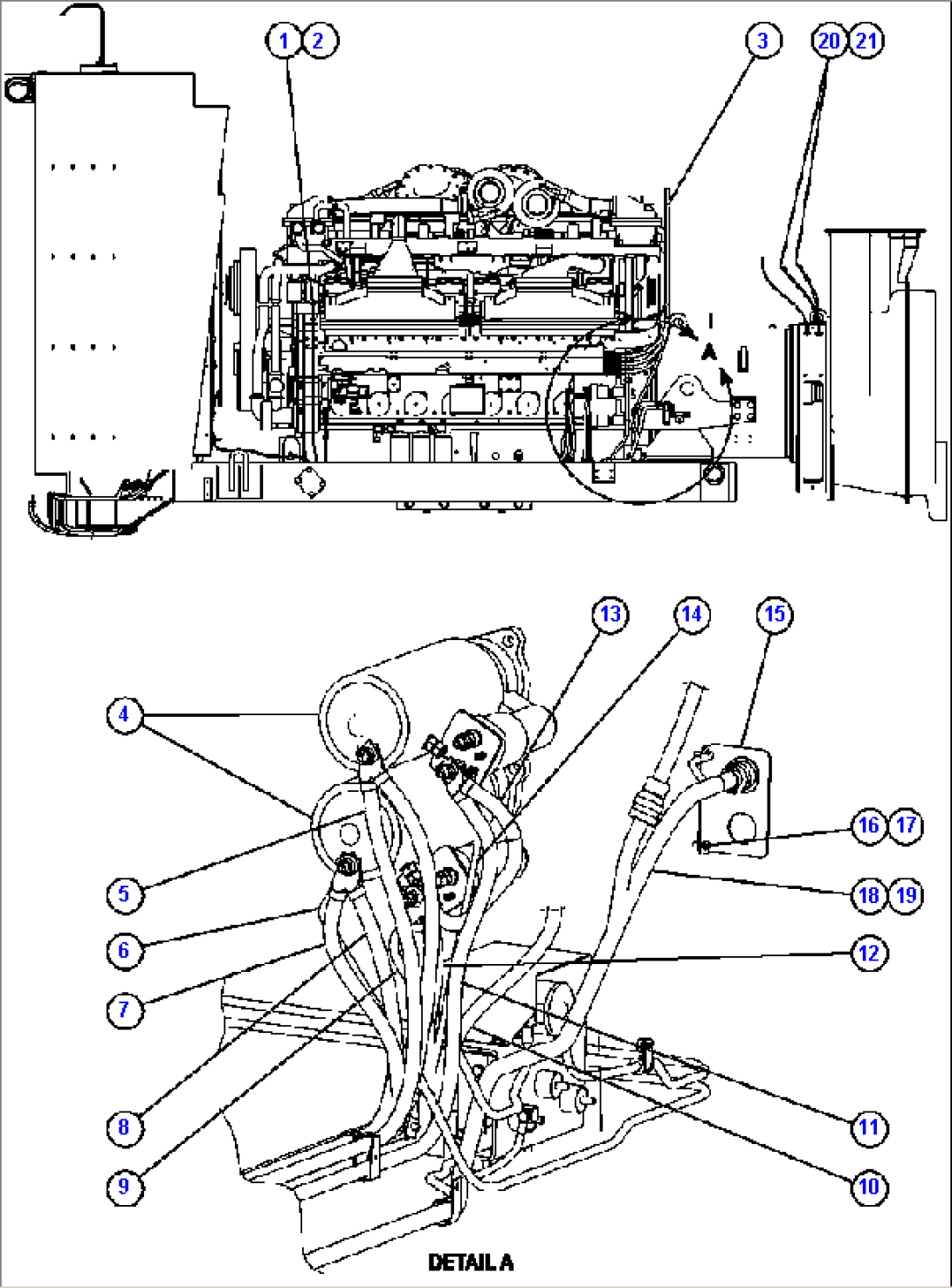
| Item | Part No. | Part Name | Qty | Serial No. |
| 1 | PC0607 | SENDER, COOLANT TEMPERATURE | ||
| 2 | WB1185 | WASHER - M22 | ||
| 3 | EK5327 | HARNESS, ENGINE CENSE | ||
| 4 | BF4994 | STARTER (NO PRELUBE) | ||
| 5 | CH4043 | CABLE - BLACK | ||
| 6 | CH4310 | CABLE - BLACK | ||
| 7 | CH4007 | CABLE - BLACK | ||
| 8 | CH4044 | CABLE - BLACK | ||
| 9 | CH4419 | CABLE - RED | ||
| 10 | CH3863 | CABLE - RED | ||
| 11 | CH3864 | CABLE - RED | ||
| 12 | CH4140 | CABLE - RED | ||
| 13 | CH4605 | CABLE - RED | ||
| 14 | CH4141 | CABLE - RED | ||
| 15 | EG6272 | SHEET, BENT | ||
| 16 | MM0025 | CAPSCREW - M6 X 1.00 X 20 | ||
| 17 | MM0469 | LOCKWASHER - M6 | ||
| 18 | EL4308 | HARNESS, EXTERNAL ENGINE | ||
| 19 | EJ2148 | HARNESS, PRELUBE STARTER | ||
| 20 | PB5633 | TERMINAL, RING | ||
| 21 | LW43151 | SLEEVE, INSULATION |
