
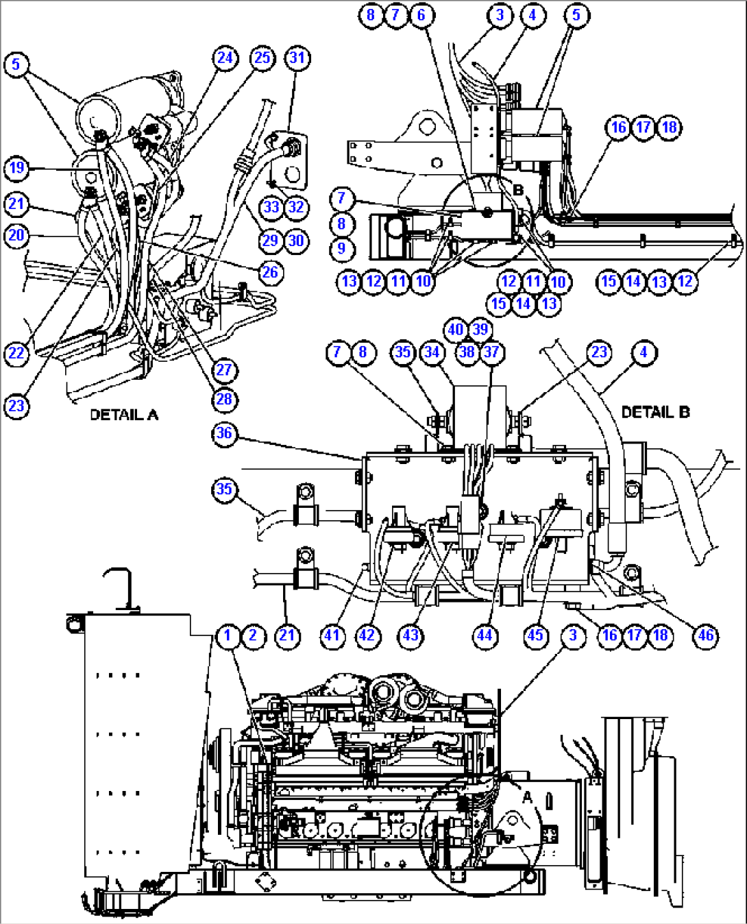
| Item | Part No. | Part Name | Qty | Serial No. |
| 1 | PC0607 | SENDER, COOLANT TEMP | ||
| 2 | WB1185 | WASHER - M22 | ||
| 3 | EK2356 | HARNESS, ENGINE CENSE | ||
| 4 | HA7878 | HOSE | ||
| 5 | BF4994 | STARTER (NO PRELUBE) | ||
| 6 | EJ5624 | COVER | ||
| 7 | TD1548 | CAPSCREW - 1/4" - 20NC X 5/8" | ||
| 8 | C1546 | FLAT WASHER - 1/4" | ||
| 9 | EJ5625 | COVER | ||
| 10 | 04434-51910 | CLIP | ||
| 11 | 07095-30213 | CUSHION | ||
| 12 | MM0713 | FLAT WASHER - M10 | ||
| 13 | MM0178 | NUT - M10 X 1.50 | ||
| 14 | 04434-53211 | CLIP | ||
| 15 | 07095-30523 | CUSHION | ||
| 16 | TC1234 | CAPSCREW - 3/8" - 16NC X 3/4" | ||
| 17 | TR4436 | FLAT WASHER - 3/8" | ||
| 18 | TC1231 | LOCKWASHER - 3/8" | ||
| 19 | CH4043 | CABLE | ||
| 20 | CH4007 | CABLE | ||
| 21 | CH4310 | CABLE | ||
| 22 | CH4404 | CABLE | ||
| 23 | CH4419 | CABLE | ||
| 24 | CH4605 | CABLE | ||
| 25 | CH4141 | CABLE | ||
| 26 | CH4140 | CABLE | ||
| 27 | CH3864 | CABLE | ||
| 28 | CH3863 | CABLE | ||
| 29 | EJ8334 | HARNESS, EXTERNAL ENGINE | ||
| 30 | EJ2148 | HARNESS, PRELUBE STARTER | ||
| 31 | EG6272 | SHEET, BENT | ||
| 32 | MM0025 | CAPSCREW - M6 X 1.00 X 20 | ||
| 33 | MM0469 | LOCKWASHER - M6 | ||
| 34 | SOLENOID, PRELUBE TIMER (SUPPLIED WITH ENGINE) | |||
| 35 | EJ3204 | LINK, FUSABLE | ||
| 36 | EJ5622 | BRACKET | ||
| 37 | PC1000 | MOUNT, RUBBER | ||
| 38 | WA0720 | FLAT WASHER - 3/8" | ||
| 39 | C0312 | LOCKWASHER - 3/8" | ||
| 40 | C1521 | NUT - 3/8" - 16NC | ||
| 41 | C5768 | PLUG, PIPE - 1/8" | ||
| 42 | PC0696 | SWITCH, PRESSURE | ||
| 43 | SG3290 | SWITCH, PRESSURE | ||
| 44 | VZ0589 | SWITCH, PRESSURE | ||
| 45 | 677161R94 | SWITCH, OIL PRESSURE | ||
| 46 | TG3397 | FITTING, STRAIGHT | ||
| NS|47 | NOTE: NS = NOT SHOWN | |||
| NS|48 | XA0011 | STARTER (PRELUBE) | ||
| NS|49 | CH4511 | CABLE | ||
| NS|50 | CH4514 | CABLE | ||
| NS|51 | PB9710 | SWITCH, COOLANT TEMP |
