
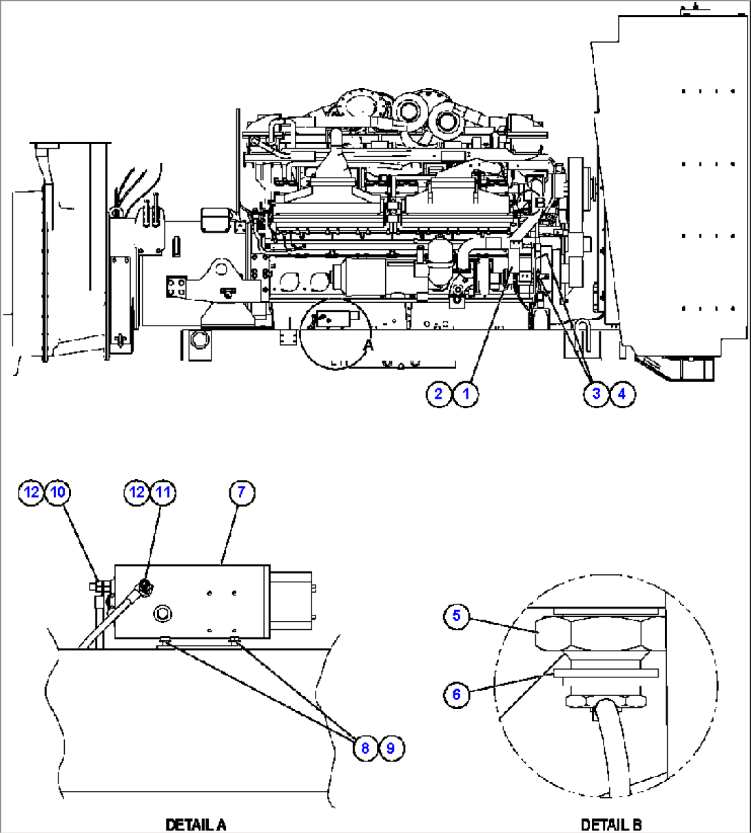
| Item | Part No. | Part Name | Qty | Serial No. |
| 1 | XA3319 | ALTERNATOR, BATTERY CHARGING (SEE INDEX) | ||
| 2 | XA0117 | BELT, ALTERNATOR DRIVE | ||
| 3 | CH5406 | CABLE, ALTERNATOR - RED | ||
| 4 | CH4089 | CABLE, ALTERNATOR - BLACK | ||
| 5 | PC0607 | SENDER, COOLANT TEMPERATURE | ||
| 6 | WB1185 | WASHER - M22 | ||
| 7 | XA0011 | STARTER (PRELUBE) | ||
| 8 | MM0461 | FLAT WASHER - M10 | ||
| 9 | MM0047 | CAPSCREW - M10 X 1.50 X 30 | ||
| 10 | CH4319 | CABLE, STARTER - BLACK | ||
| 11 | EM0176 | LINK, FUSABLE - 400 AMP | ||
| 12 | 08038-04030 | CAP, TERMINAL |
