
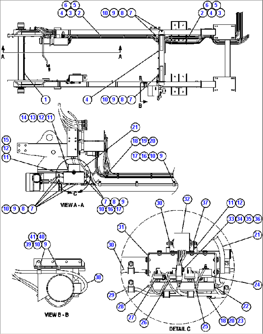
| Item | Part No. | Part Name | Qty | Serial No. |
| 1 | PC1113 | CLAMP ASSEMBLY | ||
| 2 | EL1939 | ROD, THREADED | ||
| 3 | SP7846 | CLAMP, CUSHIONED | ||
| 4 | EJ3891 | CLAMP ASSEMBLY | ||
| 5 | MM0459 | FLAT WASHER - M6 | ||
| 6 | MM0176 | NUT - M6 X 1.00 | ||
| 7 | 04434-51910 | CLIP | ||
| 8 | 07095-30213 | CUSHION, HOSE | ||
| 9 | MM0713 | FLAT WASHER - M10 (HARDENED) | ||
| 10 | MM0178 | NUT - M10 X 1.50 | ||
| 11 | TD1548 | CAPSCREW - 1/4" - 20NC X 5/8" | ||
| 12 | C1546 | FLAT WASHER - 1/4" | ||
| 13 | SL6447 | GROMMET | ||
| 14 | EJ5624 | COVER | ||
| 15 | EJ5625 | COVER | ||
| 16 | 04434-53211 | CLIP | ||
| 17 | 07095-30523 | CUSHION, HOSE | ||
| 18 | TC1234 | CAPSCREW - 3/8" - 16NC X 3/4" | ||
| 19 | TC1231 | LOCKWASHER - 3/8" | ||
| 20 | TR4436 | FLAT WASHER - 3/8" | ||
| 21 | HA2365 | HOSE | ||
| 22 | TG3393 | FITTING, ELBOW - 90 DEG | ||
| 23 | CH4115 | CABLE - BLACK | ||
| 24 | 677161R94 | SENDER, PRESSURE | ||
| 25 | VZ0589 | SWITCH, PRESSURE | ||
| 26 | SG3290 | SWITCH, PRESSURE | ||
| 27 | PC0696 | SWITCH, OIL PRESSURE | ||
| 28 | C5768 | PLUG, PIPE - 1/8" | ||
| 29 | CH4310 | CABLE - BLACK | ||
| 30 | EJ3204 | LINK, FUSIBLE | ||
| 31 | EJ5622 | BRACKET | ||
| 32 | XA2353 | SOLENOID, PRELUBE TIMER | ||
| 33 | PC1000 | MOUNT, RUBBER | ||
| 34 | C1521 | NUT - 3/8" | ||
| 35 | C0312 | LOCKWASHER - 3/8" | ||
| 36 | WA0720 | FLAT WASHER - 3/8" | ||
| 37 | CH4419 | CABLE - RED | ||
| 38 | CH3863 | CABLE - RED | ||
| 39 | MM0648 | WELD STUD - M10 X 25 | ||
| 40 | 04434-52711 | CLIP | ||
| 41 | MM0471 | LOCKWASHER - M10 |
