
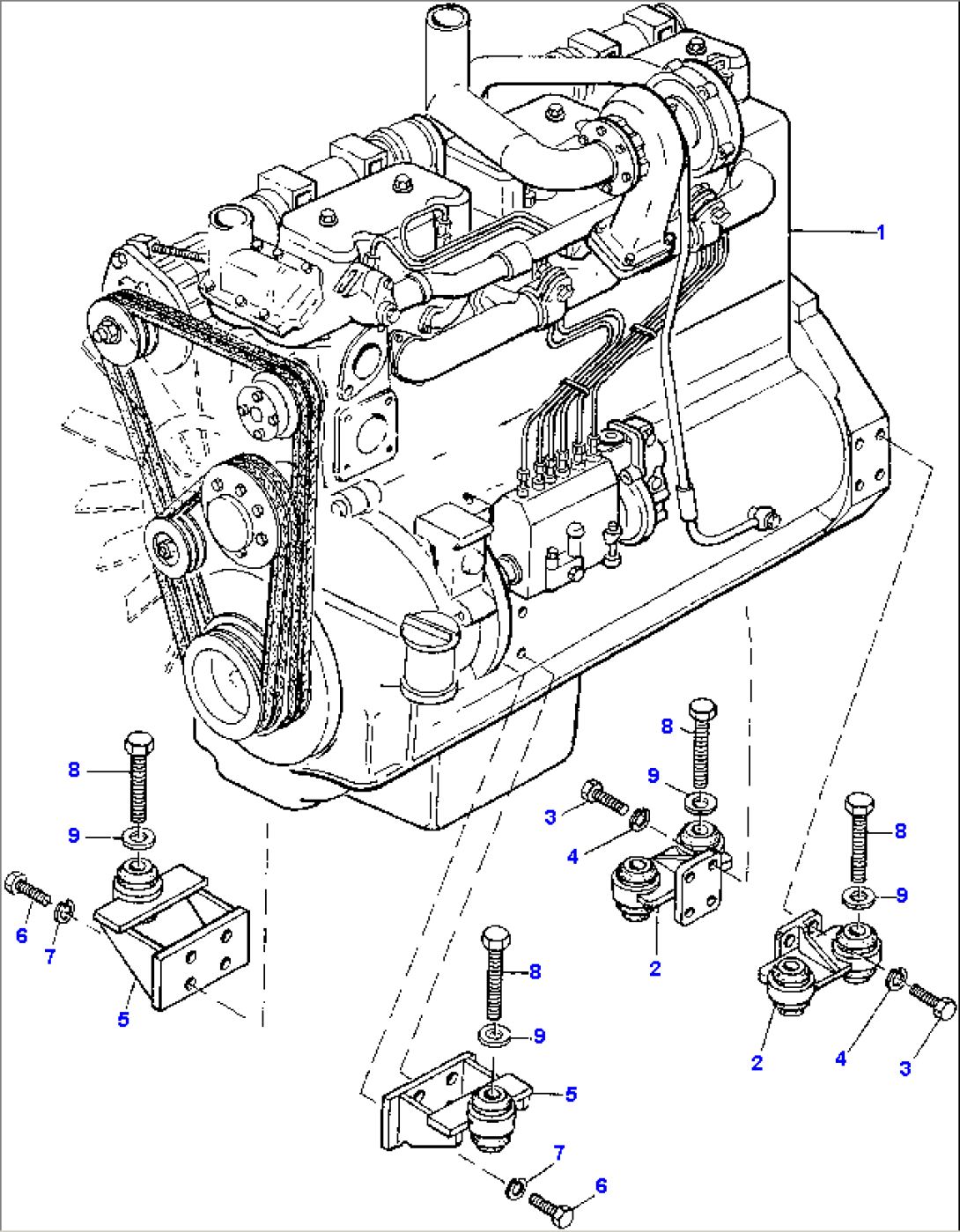
| Item | Part No. | Part Name | Qty | Serial No. |
| 1 | 2992247M91 | ENGINE | ||
| 2 | 4210137M91 | ENGINE CARRIER | ||
| 3 | 3002011X1 | SCREW | ||
| 4 | 1443794X1 | SPRING WASHER | ||
| 5 | 4210134M91 | ENGINE CARRIER | ||
| 6 | 1443669X1 | SCREW | ||
| 7 | 1443792X1 | SPRING WASHER | ||
| 8 | 1442730X1 | SCREW | ||
| 9 | 2948089M1 | PLAIN WASHER |

| Item | Part No. | Part Name | Qty | Serial No. |
| 1 | 2992247M91 | ENGINE | ||
| 2 | 4210137M91 | ENGINE CARRIER | ||
| 3 | 3002011X1 | SCREW | ||
| 4 | 1443794X1 | SPRING WASHER | ||
| 5 | 4210134M91 | ENGINE CARRIER | ||
| 6 | 1443669X1 | SCREW | ||
| 7 | 1443792X1 | SPRING WASHER | ||
| 8 | 1442730X1 | SCREW | ||
| 9 | 2948089M1 | PLAIN WASHER |