
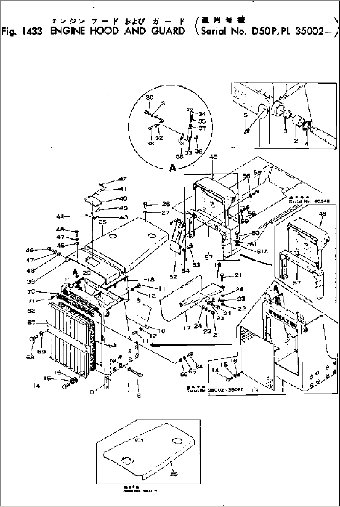
| Item | Part No. | Part Name | Qty | Serial No. |
| 130-811-0232 | GUARD ASS'Y,RADIATOR | 59001- | ||
| 130-811-0231 | GUARD ASS'Y,RADIATOR | 35066-58999 | ||
| 130-811-0230 | GUARD ASS'Y,RADIATOR | 35002-35065 | ||
| 130-870-0091 | GUARD ASS'Y,RADIATOR | 35000-35000 | ||
| 130-870-0090 | GUARD ASS'Y,RADIATOR | 35000-35000 | ||
| 1 | 130-811-5115 | GUARD | 59001- | |
| 130-811-5114 | GUARD | 35066-58999 | ||
| 130-811-5113 | GUARD | 35002-35065 | ||
| 130-870-1511 | GUARD | 35000-35000 | ||
| 130-870-1510 | GUARD | 35000-35000 | ||
| 2 | 144-70-15181 | BUSHING | 59001- | |
| 140-70-14180 | BUSHING | 35002-58999 | ||
| 3 | 144-70-15171 | BUSHING | 59001- | |
| 140-70-14190 | BUSHING | 35002-58999 | ||
| 4 | 130-09-12370 | SEAL | 35002- | |
| 5 | 07020-00000 | FITTING | 35002- | |
| 6 | 01019-02010 | BOLT | 53153- | |
| \0\130-54-41411 | BOLT | 35002-53152 | ||
| 7 | 01602-02060 | WASHER | 35002- | |
| 8 | 04089-02016 | NUT | 59001- | |
| 04089-02020 | NUT | 59001- | ||
| 04089-02016 | NUT | 53153-58999 | ||
| 130-54-41251 | NUT | 35002-53152 | ||
| 9 | 130-03-41210 | COVER | 59001- | |
| 130-811-5381 | COVER | 35066-58999 | ||
| 130-811-5380 | COVER | 35002-35065 | ||
| 10 | 130-03-41220 | COVER | 59001- | |
| 130-811-5390 | COVER | 35002-58999 | ||
| 11 | 01010-31020 | BOLT | 59001- | |
| 01010-31025 | BOLT | 59001- | ||
| 01010-31220 | BOLT | 35066-58999 | ||
| 01040-31230 | BOLT | 35002-35065 | ||
| 12 | 01602-01030 | WASHER | 59001- | |
| 01643-01032 | WASHER | 59001- | ||
| 01602-01236 | WASHER | 35066-58999 | ||
| 01602-01236 | WASHER | 35002-35065 | ||
| 13 | 130-811-5410 | GRILLE | 35002-35065 | |
| 14 | 01010-31230 | BOLT | 53153- | |
| 01040-31225 | BOLT | 35066-53152 | ||
| 01040-31230 | BOLT | 35002-35065 | ||
| 15 | 01602-01236 | WASHER | 35066- | |
| 01602-01236 | WASHER | 35002-35065 | ||
| 16 | 01643-01232 | WASHER | 35066- | |
| 01643-01232 | WASHER | 35002-35065 | ||
| 17 | 130-811-5134 | COVER | 59001- | |
| 130-811-5133 | COVER | 35002-58999 | ||
| 18 | 130-811-5144 | COVER | 59001- | |
| 130-811-5143 | COVER | 35002-58999 | ||
| 19 | 130-811-5350 | COVER | 35002- | |
| 20 | 130-811-5360 | COVER | 35002- | |
| 21 | 01010-31230 | BOLT | 53153- | |
| 01010-31230 | BOLT | 35002-53152 | ||
| 21A | 01010-31225 | BOLT | 35002- | |
| 22 | 01503-31210 | NUT | 35002-53152 | |
| 23 | 01602-01236 | WASHER | 53153- | |
| 01602-01236 | WASHER | 35002-53152 | ||
| 24 | 01643-01232 | WASHER | 53153- | |
| 01643-01232 | WASHER | 35002-53152 | ||
| 25 | 130-811-5293 | HOOD | 59001- | |
| 130-811-5292 | HOOD | 35002-58999 | ||
| 26 | 01010-31225 | BOLT | 53153- | |
| 01040-31230 | BOLT | 35002-53152 | ||
| 27 | 01602-01236 | WASHER | 35002- | |
| 30 | 01010-31035 | BOLT | 59001- | |
| 01010-31235 | BOLT | 35002-58999 | ||
| 31 | 01602-01030 | WASHER | 59001- | |
| 01602-01236 | WASHER | 35002-58999 | ||
| 130-54-51230 | CATCHER ASS'Y,L.H. | 59001- | ||
| 135-54-11300 | CATCHER ASS'Y,L.H. | 35002-58999 | ||
| 130-54-51250 | CATCHER ASS'Y,R.H. | 59001- | ||
| 135-54-11400 | CATCHER ASS'Y,R.H. | 35002-58999 | ||
| 32 | 130-54-51240 | BRACKET,L.H. | 59001- | |
| 135-54-11340 | BRACKET,L.H. | 35002-58999 | ||
| 130-54-51260 | BRACKET,R.H. | 59001- | ||
| 135-54-11350 | BRACKET,R.H. | 35002-58999 | ||
| 33 | 141-54-11370 | SLEEVE | 35002- | |
| 34 | \6\ | ROD | 35002- | |
| 35 | 141-54-11311 | SPRING | 35002- | |
| 36 | 170-54-11180 | LOCK | 35002- | |
| 37 | 141-54-11380 | NUT | 35002- | |
| 38 | 04411-00416 | RIVET | 35002- | |
| 39 | 130-811-5312 | COVER | 35002-58999 | |
| 40 | 131-54-41630 | COVER | 53153- | |
| \3\141-54-11170 | COVER | 35002-53152 | ||
| (131-54-41630{141-54-12290)} | ||||
| 41 | 131-54-11270 | PIN | 35002- | |
| 42 | 04050-01610 | PIN | 35002- | |
| 43 | 141-54-12290 | SPRING | 53153- | |
| 131-54-11150 | SPRING | 35002-53152 | ||
| 44 | 04050-01610 | PIN | 35002- | |
| 45 | 04205-00618 | PIN | 35002- | |
| 46 | 01010-31225 | BOLT | 53153-58999 | |
| 01010-31235 | BOLT | 53153-58999 | ||
| 01040-31230 | BOLT | 35002-53152 | ||
| 47 | 01602-01236 | WASHER | 35002-58999 | |
| 48 | 01643-01232 | WASHER | 35002-58999 | |
| 49 | 130-54-41146 | DASHBOARD | 59183- | |
| \0\130-54-41145 | DASHBOARD | 59001-59182 | ||
| 130-54-41144 | DASHBOARD | 40273-58999 | ||
| \3\130-54-41143 | DASHBOARD | 35019-40272 | ||
| (130-54-41144{130-54-41433¤} | ||||
| 01010-31225(2)) | ||||
| 130-54-41142 | DASHBOARD | 35002-35018 | ||
| 52 | 130-54-41423 | BRACKET | 59001- | |
| 130-54-41422 | BRACKET | 53153-58999 | ||
| \0\130-54-41421 | BRACKET | 37310-53152 | ||
| 130-54-41420 | BRACKET | 35002-37309 | ||
| 53 | 01010-31225 | BOLT | 35002- | |
| 54 | 01602-01236 | WASHER | 35002- | |
| 55 | 01010-31020 | BOLT | 35002- | |
| 56 | 01602-01030 | WASHER | 35002- | |
| 57 | 130-54-41434 | SUPPORT | 59001- | |
| 130-54-41433 | SUPPORT | 40273-58999 | ||
| 130-54-41432 | SUPPORT | 35002-40272 | ||
| 58 | 01010-31225 | BOLT | 40273-58999 | |
| 01040-31220 | BOLT | 35002-40272 | ||
| 59 | 01602-01236 | WASHER | 35002-58999 | |
| 60 | 01010-31230 | BOLT | 35002- | |
| 61 | 01602-01236 | WASHER | 35002- | |
| 61A | 01643-01232 | WASHER | 59001- | |
| 62 | 130-54-41481 | GRILLE | 59001- | |
| 130-54-41480 | GRILLE | 40273-58999 | ||
| 145-54-31130 | GRILLE | 35066-40272 | ||
| 130-870-1550 | GRILLE | 35000-35000 | ||
| 63 | 145-54-31180 | NET | 35066-40272 | |
| 64 | 01000-30820 | BOLT | 35066-40272 | |
| 65 | 01602-00825 | WASHER | 35066-40272 | |
| 66 | 145-60-36660 | WASHER | 35066-40272 | |
| 67 | 130-54-41490 | BUMPER | 53153-58999 | |
| \3\145-54-31190 | BUMPER | 35066-53152 | ||
| (130-54-41490{01252-31230(4))} | ||||
| 68 | 01252-31230 | BOLT | 53153-58999 | |
| 01252-01250 | BOLT | 35066-53152 | ||
| 69 | 01602-01236 | WASHER | 35066-58999 | |
| 70 | 141-54-31211 | PLATE¤ MARK | 59001- | |
| 145-54-31220 | MARK | 40273-58999 | ||
| \0\145-54-31210 | MARK | 35066-40272 | ||
| 71 | 01225-40820 | SCREW | 59001- | |
| 01225-30816 | SCREW | 53153-58999 | ||
| 01225-20816 | SCREW | 35066-53152 |
