
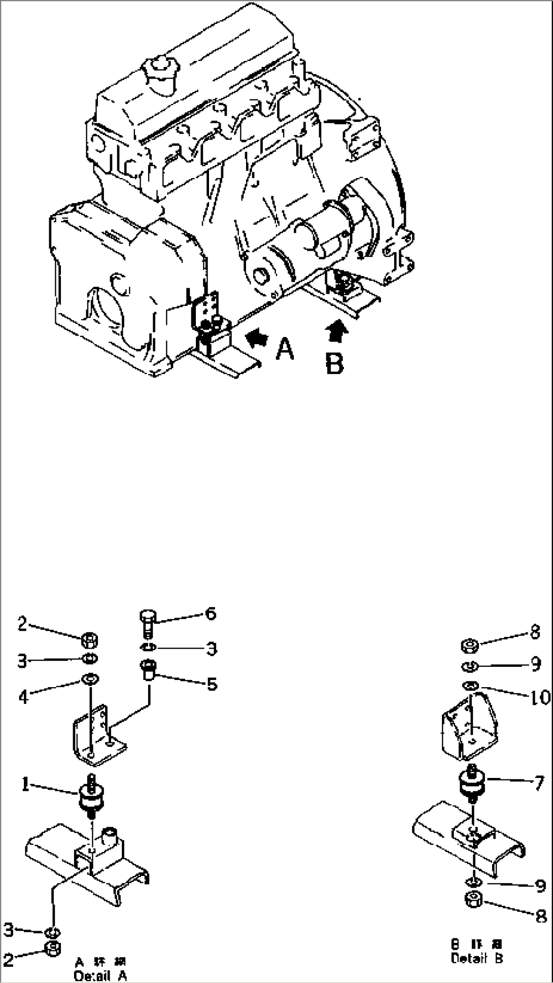
| Item | Part No. | Part Name | Qty | Serial No. |
| 1 | M710172040100 | CUSHION,FRONT | 3001- | |
| 2 | M018201000006 | NUT | 3001- | |
| 3 | M011601000006 | WASHER,SPRING | 3001- | |
| 4 | M011611000006 | WASHER | 3001- | |
| 5 | M710172040200 | SPACER | 3001- | |
| 6 | M701131000456 | BOLT | 3001- | |
| 7 | M711076740110 | CUSHION,REAR | 3001- | |
| 8 | M018201200006 | NUT | 3001- | |
| 9 | M011601200006 | WASHER,SPRING | 3001- | |
| 10 | M011611200006 | WASHER | 3001- |
