
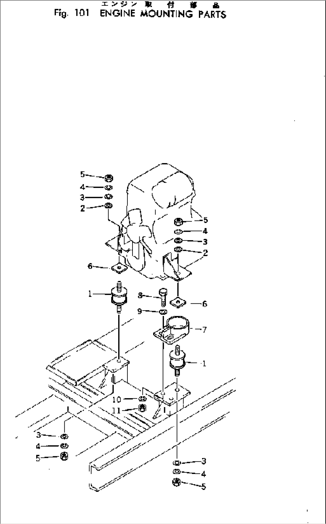
| Item | Part No. | Part Name | Qty | Serial No. |
| 1 | 6140-25-3760 | CUSHION | 3001- | |
| 2 | 6141-25-3770 | WASHER | 3001- | |
| 3 | 01643-31232 | WASHER | 3001- | |
| 4 | 01602-01236 | WASHER | 3001- | |
| 5 | 01580-01210 | NUT | 3001- | |
| 6 | TES0102-00820 | PLATE | 3001- | |
| 7 | TES0102-00810 | STOPPER | 3001- | |
| 8 | 01010-31030 | BOLT | 3001- | |
| 9 | 01640-21016 | WASHER | 3001- | |
| 10 | 01602-01030 | WASHER | 3001- | |
| 11 | 01580-01008 | NUT | 3001- |
