
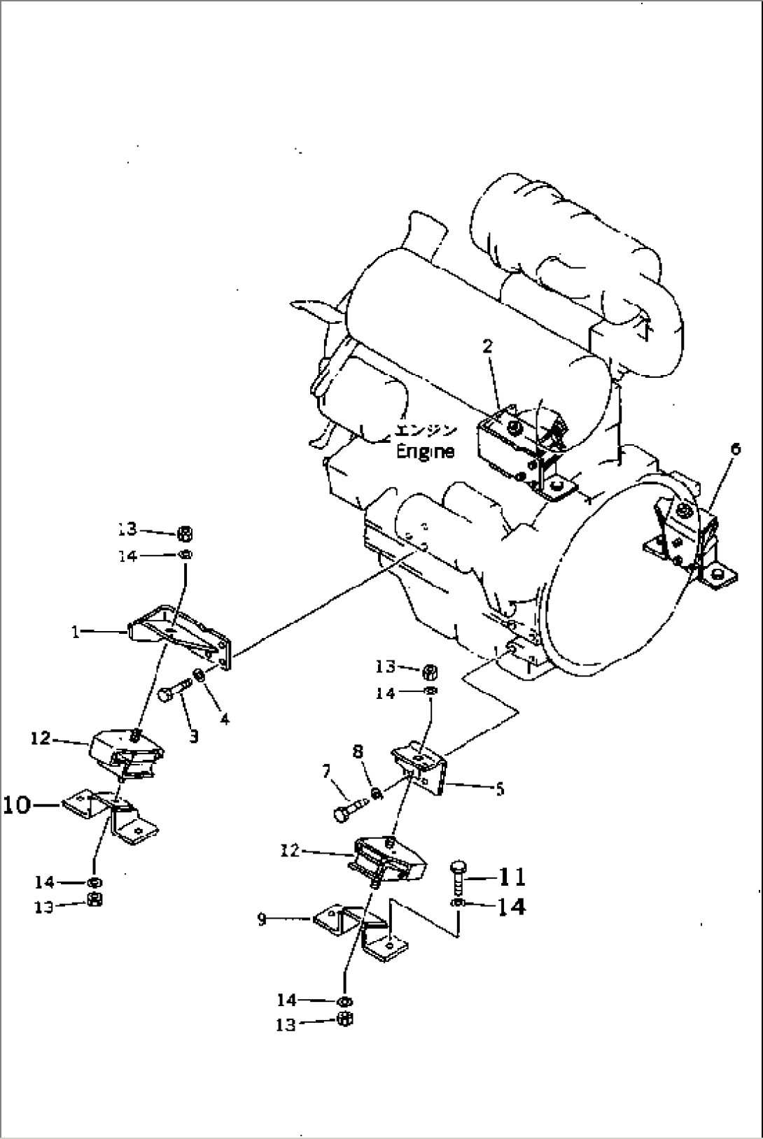
| Item | Part No. | Part Name | Qty | Serial No. |
| 1 | 20N-01-71150 | BRACKET PAINT(1) | 6222- | |
| 2 | 20N-01-71160 | BRACKET PAINT(1) | 6222- | |
| 3 | 01010-51025 | BOLT | 5001- | |
| 4 | 01643-31032 | WASHER | 5001- | |
| 5 | 20P-01-71231 | BRACKET PAINT(1) | 6222- | |
| 6 | 20P-01-71252 | BRACKET PAINT(1) | 6222- | |
| 7 | 01010-51020 | BOLT | 5001- | |
| 8 | 01643-31032 | WASHER | 5001- | |
| 9 | 20N-01-41195 | BRACKET PAINT(1) | 6222- | |
| 10 | 20N-01-41215 | BRACKET PAINT(1) | 6222- | |
| 11 | 01010-51230 | BOLT | 5001- | |
| 12 | 20S-01-71310 | CUSHION | 5001- | |
| 13 | 01580-11008 | NUT | 5001- | |
| 14 | 01643-31032 | WASHER | 5001- |
