
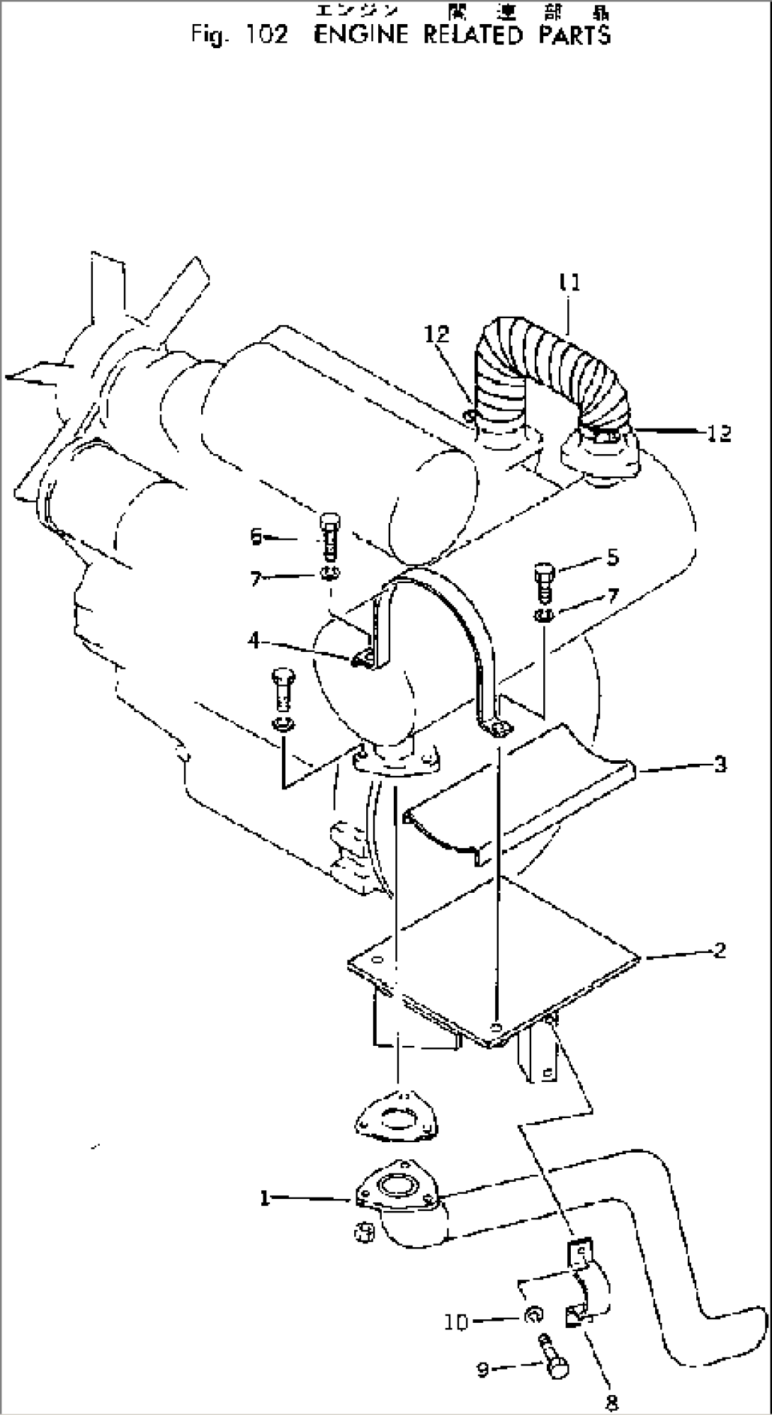
| Item | Part No. | Part Name | Qty | Serial No. |
| 1 | 20N-01-22141 | PIPE | 5501- | |
| 2 | 20N-01-31110 | BRACKET | 5501- | |
| 3 | 20N-01-31130 | BRACKET | 5501- | |
| 4 | 20N-01-31120 | CLAMP | 5501- | |
| 5 | 01010-51020 | BOLT | 5501- | |
| 6 | 01010-51030 | BOLT | 5501- | |
| 7 | 01602-21030 | WASHER,SPRING | 5501- | |
| 8 | 20N-01-22180 | CLAMP | 5501- | |
| 9 | 01010-51020 | BOLT | 5501- | |
| 10 | 01602-21030 | WASHER,SPRING | 5501- | |
| 11 | 20N-01-31140 | TAPE | 5501- | |
| 12 | 07281-00609 | CLAMP | 5501- |
