
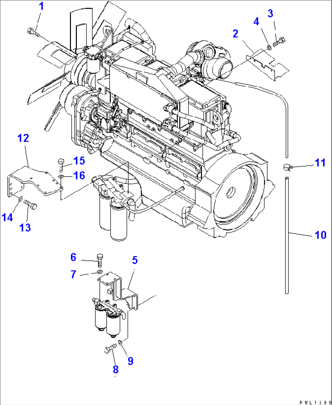
| Item | Part No. | Part Name | Qty | Serial No. |
| 1 | 02010-70870 | BOLT | 10001-10999 | |
| 2 | 21M-01-11441 | COVER | 10001-10999 | |
| 3 | 02010-70619 | BOLT | 10001-10999 | |
| 4 | 01643-31032 | WASHER | 10001-10999 | |
| 5 | 21M-01-11450 | BRACKET | 10001-10999 | |
| 6 | 02030-70625 | BOLT | 10001-10999 | |
| 7 | 01643-31032 | WASHER | 10001-10999 | |
| 8 | 02010-70625 | BOLT | 10001-10999 | |
| 9 | 01643-31032 | WASHER | 10001-10999 | |
| 10 | 07287-01610 | HOSE | 10001-10999 | |
| 11 | 07285-00180 | CLIP | 10001-10999 | |
| 12 | 21M-01-11460 | BRACKET | 10001-10999 | |
| 13 | 01010-81255 | BOLT | 10001-10999 | |
| 14 | 01643-31232 | WASHER | 10001-10999 | |
| 15 | 02010-70638 | BOLT | 10001-10999 | |
| 16 | 01643-31032 | WASHER | 10001-10999 |
