
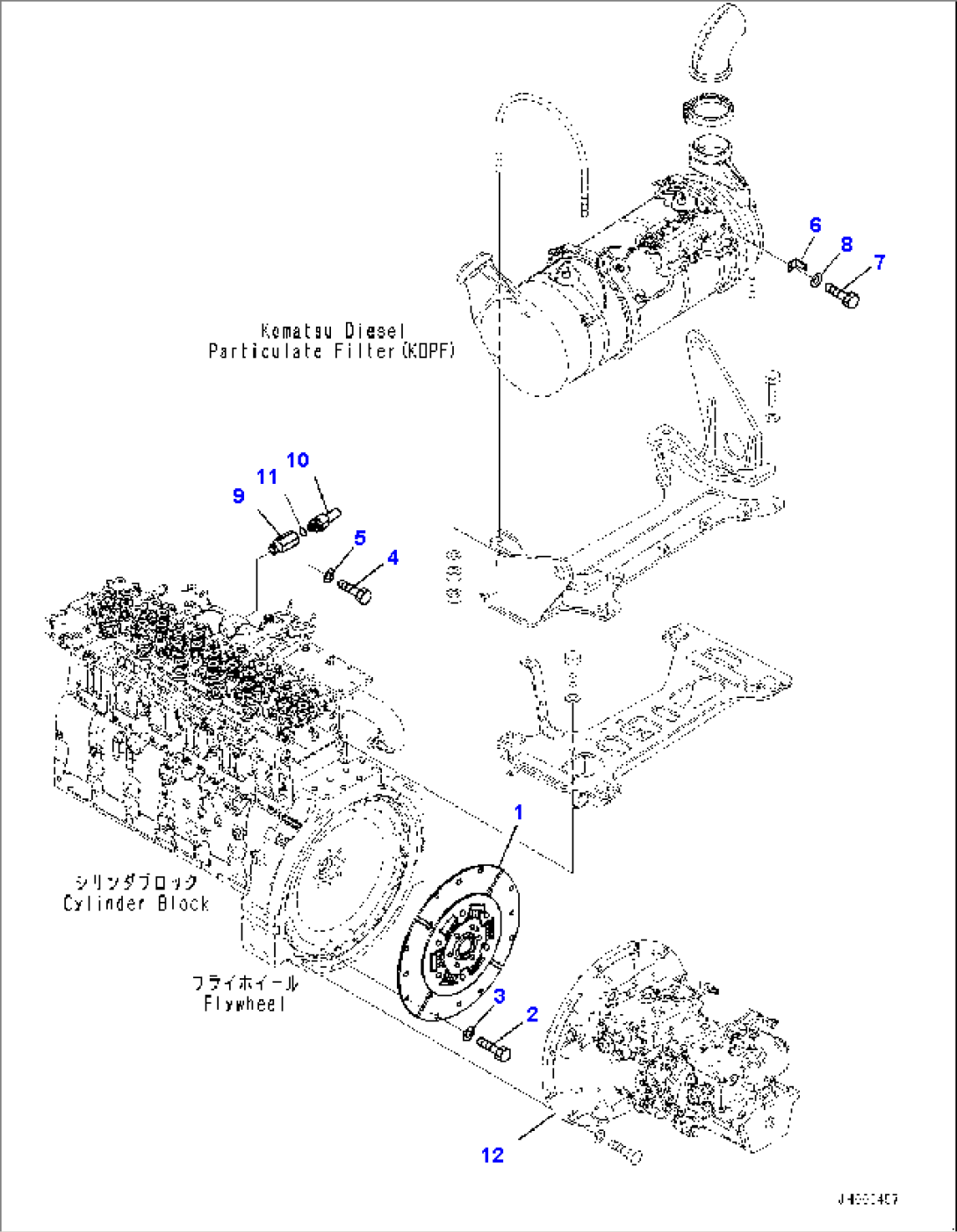
| Item | Part No. | Part Name | Qty | Serial No. |
| 1 | 207-01-71310 | Damper | 70001- | |
| 2 | 01010-81225 | Bolt | 70001- | |
| 3 | 01643-31232 | Washer | 70001- | |
| 4 | 01010-81220 | Bolt | 70001- | |
| 5 | 01643-31232 | Washer | 70001- | |
| 6 | 08057-14010 | Clip | 70001- | |
| 7 | 01010-81020 | Bolt | 70001- | |
| 8 | 01643-31032 | Washer | 70001- | |
| 9 | 207-979-4211 | Nipple | 70001- | |
| 10 | 207-979-4221 | Tee | 70001- | |
| 11 | 07002-12034 | O-ring | 70001- | |
| 12 | (708-2G-00140) | Pump Assembly, Piston | - | |
| (708-2G-00170) | Pump Assembly | - | ||
| (708-2G-00171) | Pump Assembly | - | ||
| (708-2G-00172) | Pump Assembly | - |
