
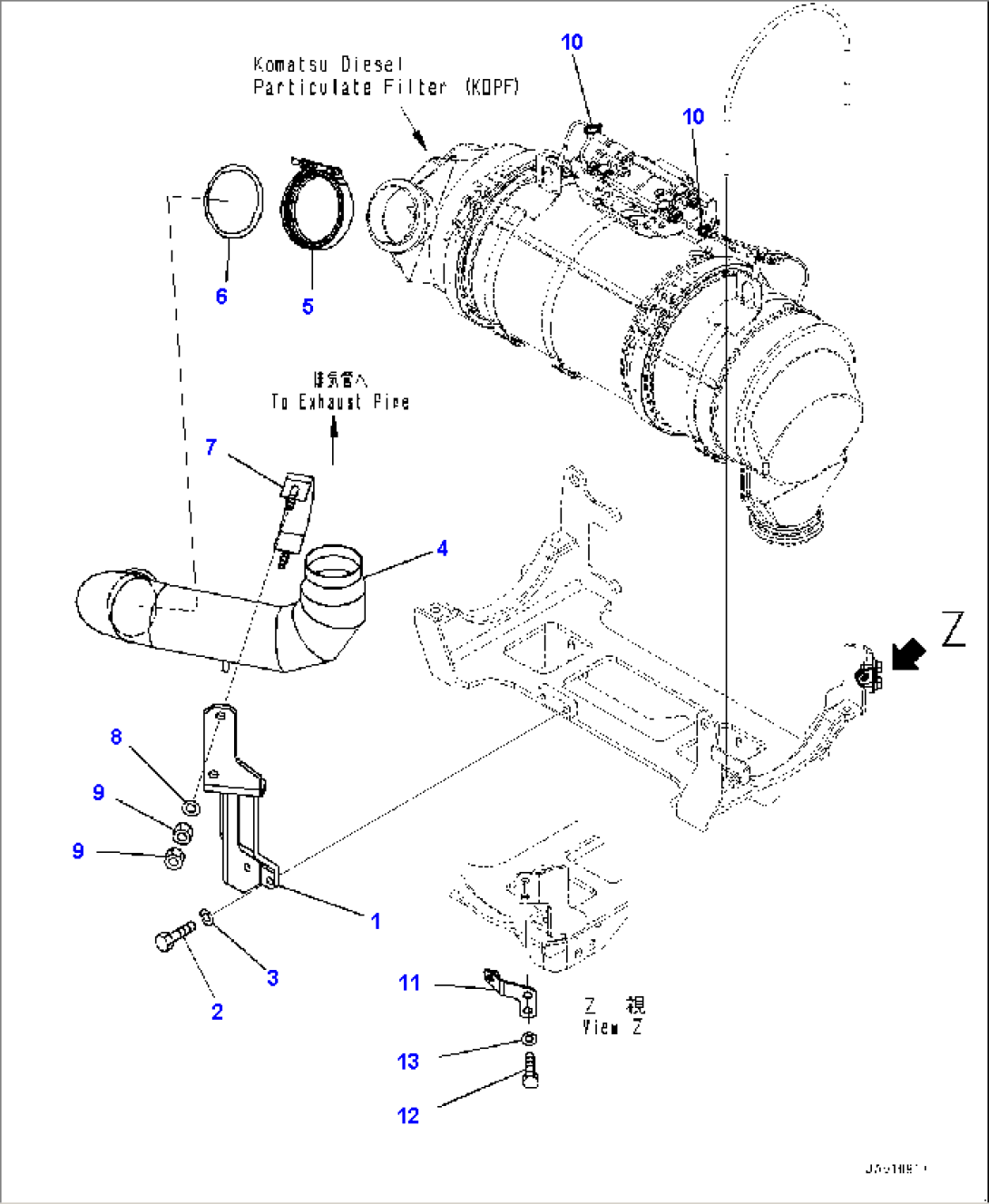
| Item | Part No. | Part Name | Qty | Serial No. |
| 1 | 419-02-51131 | Bracket | 80149-@ | |
| 1 | 419-02-51130 | Bracket | 80001-80148 | |
| 2 | 01010-81025 | Bolt | 80001-@ | |
| 3 | 01643-31032 | Washer | 80001-@ | |
| 4 | 419-02-51120 | Tube | 80001-@ | |
| 5 | 6520-91-1020 | Clamp | 80001-@ | |
| 6 | 6520-91-1030 | Gasket | 80001-@ | |
| 7 | 423-02-51160 | Band | 80001-80148 | |
| 8 | 01643-31032 | Washer | 80001-80148 | |
| 9 | 01580-11008 | Nut | 80001-80148 | |
| 10 | 6218-81-8470 | Band | 80001-@ | |
| 11 | 419-01-51370 | Plate | 80001-@ | |
| 12 | 01010-81025 | Bolt | 80001-@ | |
| 13 | 01643-31032 | Washer | 80001-@ |
