
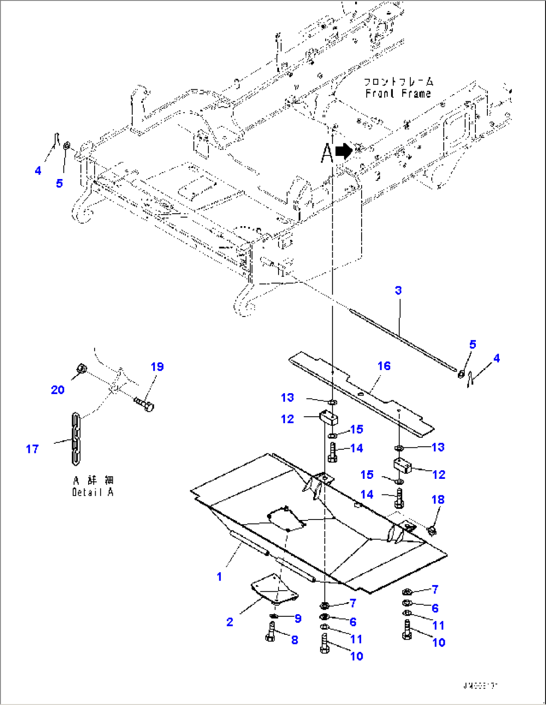
| Item | Part No. | Part Name | Qty | Serial No. |
| 1 | 56B-54-58550 | Guard | 10001- | |
| 2 | 56B-54-38560 | Cover | 10001- | |
| 3 | 56B-54-28130 | Shaft | 10001- | |
| 4 | 04050-14028 | Pin, Cotter | 10001- | |
| 5 | 01640-21323 | Washer | 10001- | |
| 6 | 415-46-11370 | Spacer | 10001- | |
| 7 | 56B-54-18140 | Rubber | 10001- | |
| 8 | 01010-81025 | Bolt | 10001- | |
| 9 | 01643-31032 | Washer | 10001- | |
| 10 | 01010-81235 | Bolt | 10001- | |
| 11 | 01643-31232 | Washer | 10001- | |
| 12 | 56B-54-18530 | Plate | 10001- | |
| 13 | 198-904-2750 | Shim, T=1.0mm | 10001- | |
| 14 | 01010-81265 | Bolt, L=65mm | 10001- | |
| 14 | 01010-81270 | Bolt, L=70mm | 10001- | |
| 15 | 01643-31232 | Washer | 10001- | |
| 16 | 56B-54-38542 | Cover | 10001- | |
| 17 | 09245-14821 | Chain | 10001- | |
| 18 | 421-46-12740 | Pin, Linch | 10001- | |
| 19 | 01010-81016 | Bolt | 10001- | |
| 20 | 01580-11008 | Nut | 10001- |
