
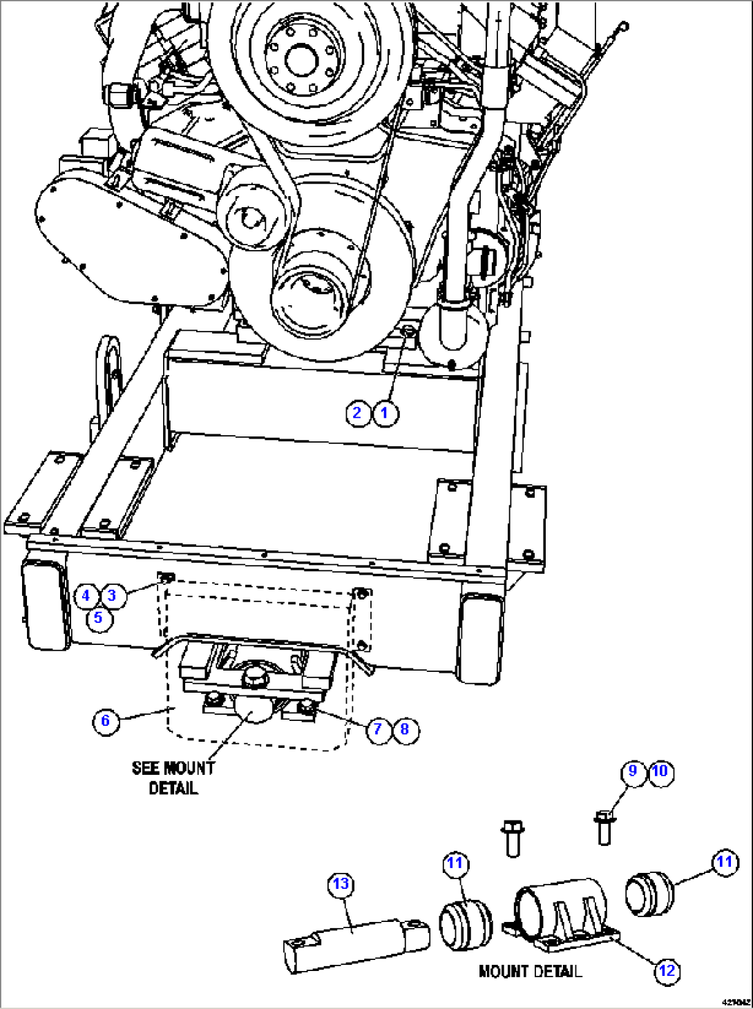
| Item | Part No. | Part Name | Qty | Serial No. |
| 1 | WB1193 | CAPSCREW - M20 X 2.50 X 90 | ||
| 2 | MM0475 | LOCKWASHER - M20 | ||
| 3 | C1601 | CAPSCREW - 3/8" - 16NC X 3/4" | ||
| 4 | C0312 | LOCKWASHER - 3/8" | ||
| 5 | WA4726 | FLAT WASHER - 3/8" | ||
| 6 | EB8444 | COVER, TRUNNION | ||
| 7 | C1645 | CAPSCREW - 3/4" - 10NC X 2 1/4" | ||
| 8 | C1542 | LOCKWASHER - 3/4" | ||
| 9 | C5542 | CAPSCREW - 1 1/4" - 7NC X 3" | ||
| 10 | WA0366 | FLAT WASHER - 1 1/4" | ||
| 11 | VM3891 | BUSHING, RUBBER | ||
| 12 | TY8058 | PIVOT, ENGINE | ||
| 13 | TY8055 | PIN, PIVOT |
