Ваш браузер устарел. Этот сайт может работать неполноценно или выглядеть сломанным. Обновите ваш браузер, если можете.

Поиск по каталогу

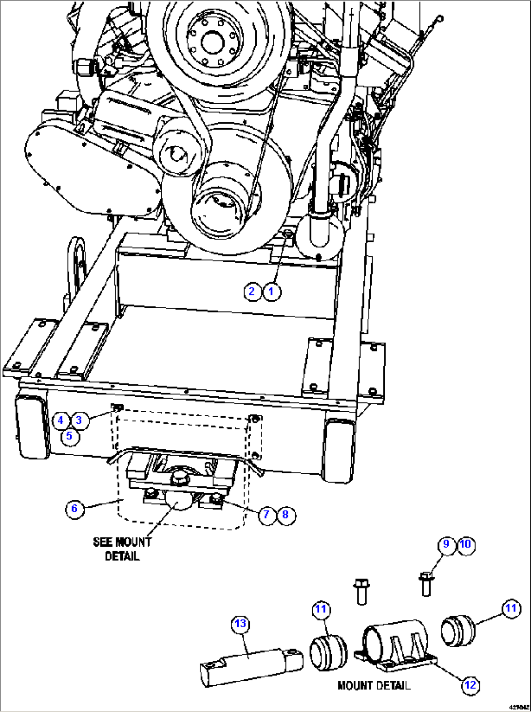
ENGINE/SUB-FRAME MOUNTS

ENGINE/SUB-FRAME MOUNTS
ItemPart No.Part NameQtySerial No.
1WB1193CAPSCREW - M20 X 2.50 X 90
2MM0475LOCKWASHER - M20
3C1601CAPSCREW - 3/8" - 16NC X 3/4"
4C0312LOCKWASHER - 3/8"
5WA4726FLAT WASHER - 3/8"
6EB8444COVER, TRUNNION
7C1645CAPSCREW - 3/4" - 10NC X 2 1/4"
8C1542LOCKWASHER - 3/4"
9C5542CAPSCREW - 1 1/4" - 7NC X 3"
10WA0366FLAT WASHER - 1 1/4"
11VM3891BUSHING, RUBBER
12TY8058PIVOT, ENGINE
13TY8055PIN, PIVOT
Вернуться в каталог

Заявка

Обратная связь