
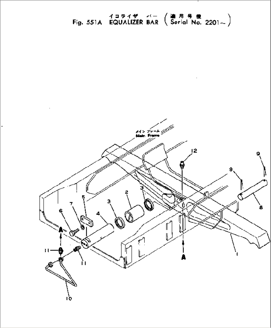
| Item | Part No. | Part Name | Qty | Serial No. |
| 124-50-00010 | EQUALIZER BAR ASS'Y | 1501- | ||
| 1 | 125-50-21150 | BAR | 1501- | |
| 2 | 125-50-21170 | BUSHING | 1501- | |
| 3 | 125-50-21180 | SEAL,DUST | 1501- | |
| 4 | 125-50-21161 | PIN | 2201- | |
| 5 | 04082-00514 | LOCK,LOCK | 1501- | |
| 6 | 01018-31435 | BOLT | 1501- | |
| 7 | 01602-01442 | WASHER,SPRING | 1501- | |
| 8 | 112-50-11170 | PIN | 1501- | |
| 9 | 04050-08050 | PIN,COTTER | 1501- | |
| 10 | 124-50-21111 | TUBE | 2201- | |
| 11 | 07213-50510 | CONNECTOR | 1501- | |
| 12 | 07020-00000 | FITTING,GREASE | 1501- |
