
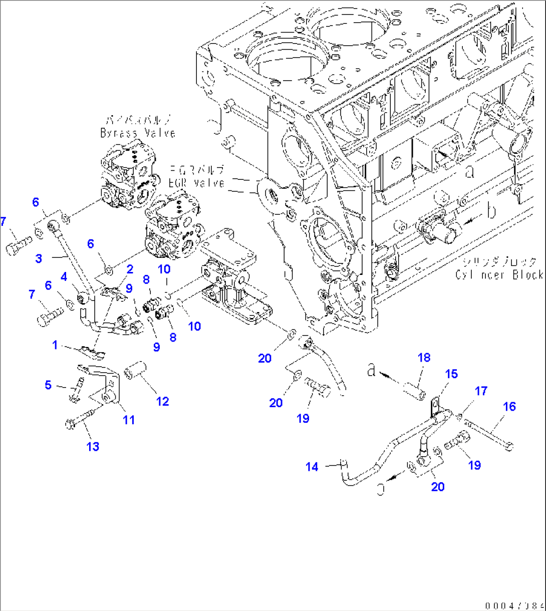
| Item | Part No. | Part Name | Qty | Serial No. |
| 1 | 6166-75-6820 | CLAMP | 530003-@ | |
| 2 | 6261-51-9480 | CLAMP | 530003-@ | |
| 3 | 6261-51-9610 | TUBE, BYPASS VALVE | 530003-@ | |
| 4 | 6261-51-9510 | TUBE, MAIN VALVE | 530003-@ | |
| 5 | 01435-00840 | BOLT | 530003-@ | |
| 6 | 07005-01412 | GASKET | 530003-@ | |
| 7 | 07206-31014 | BOLT, JOINT | 530003-@ | |
| 8 | 02781-0031D | UNION | 530003-@ | |
| 9 | 02896-21009 | O-RING | 530003-@ | |
| 10 | 07002-21423 | O-RING | 530003-@ | |
| 11 | 6261-51-9630 | BRACKET | 530003-@ | |
| 12 | 6206-11-4490 | SPACER | 530003-@ | |
| 13 | 01435-01060 | BOLT | 530003-@ | |
| 14 | 6261-51-9550 | TUBE, RETURN | 530003-@ | |
| 15 | 6162-63-8820 | CLIP | 530003-@ | |
| 16 | 01011-81020 | BOLT | 530003-@ | |
| 17 | 01643-31032 | WASHER | 530003-@ | |
| 18 | 6143-11-4290 | SPACER | 530003-@ | |
| 19 | 07206-31216 | BOLT, JOINT | 530003-@ | |
| 20 | 07005-01612 | SEAL | 530003-@ |
