
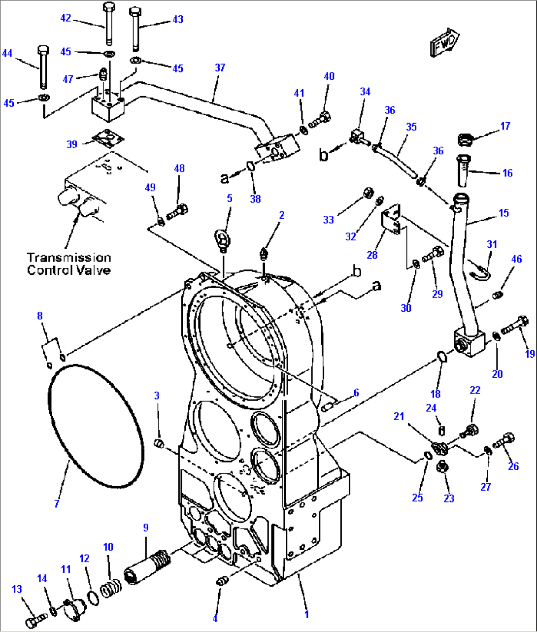
| Item | Part No. | Part Name | Qty | Serial No. |
| TRANSMISSION ASSEMBLY (SEE FIG. F4320-01A0 ) | A50001-- | |||
| 2 | ||||
| 427-15-13111 | CASE ASSEMBLY. | A50001-- | ||
| 1 | (NSS) | CASE | A50001-- | |
| 2 | 07042-70211 | PLUG | A50001-- | |
| 3 | 07043-72026 | PLUG | A50001-- | |
| 4 | 02721-11617 | PLUG | A50001-- | |
| 5 | 04530-03655 | BOLT, EYE | A50001-- | |
| 6 | 04020-01842 | PIN, DOWEL | A50001-- | |
| 7 | 281-09-11110 | O-RING | A50001-- | |
| 8 | 07000-73035 | O-RING | A50001-- | |
| 9 | 562-15-11570 | MAGNET ASSEMBLY | A50001-- | |
| 10 | 287-15-11560 | SPRING | A50001-- | |
| 11 | 427-15-13390 | COVER | A50001-- | |
| 12 | 07000-02075 | O-RING | A50001-- | |
| 13 | 01010-81240 | BOLT | A50001-- | |
| 14 | 01643-31232 | WASHER | A50001-- | |
| 15 | 427-15-18102 | TUBE | A50001-- | |
| 16 | 07056-10045 | STRAINER | A50001-- | |
| 17 | 07051-00000 | CAP | A50001-- | |
| 18 | 07000-73048 | O-RING | A50001-- | |
| 19 | 01011-51210 | BOLT | A50001-- | |
| 20 | 01643-31232 | WASHER | A50001-- | |
| 426-60-15150 | VALVE ASSEMBLY | A50001-- | ||
| 21 | (NSS) | BODY | A50001-- | |
| 22 | (NSS) | VALVE | A50001-- | |
| 23 | 426-60-15160 | PLUG | A50001-- | |
| 24 | 04020-00514 | PIN, DOWEL | A50001-- | |
| 25 | 07000-73028 | O-RING | A50001-- | |
| 26 | 01010-81030 | BOLT | A50001-- | |
| 27 | 01643-31032 | WASHER | A50001-- | |
| 28 | 427-15-18120 | BRACKET | A50001-- | |
| 29 | 01010-81230 | BOLT | A50001-- | |
| 30 | 01643-31232 | WASHER | A50001-- | |
| 31 | 07283-36155 | CLIP | A50001-- | |
| 32 | 01643-31032 | WASHER | A50001-- | |
| 33 | 01582-11008 | NUT | A50001-- | |
| 34 | 427-15-11610 | ELBOW | A50001-- | |
| 35 | 07260-20936 | HOSE | A50001-- | |
| 36 | 07281-00197 | CLAMP | A50001-- | |
| 37 | 427-16-11420 | TUBE | A50001-- | |
| 38 | 07000-73045 | O-RING | A50001-- | |
| 39 | 427-15-15930 | GASKET | A50001-- | |
| 40 | 01010-81290 | BOLT | A50001-- | |
| 41 | 01643-31232 | WASHER | A50001-- | |
| 42 | 427-15-16410 | BOLT | A50001-- | |
| 43 | 427-15-16420 | BOLT | A50001-- | |
| 44 | 01010-81085 | BOLT | A50001-- | |
| 45 | 01643-31032 | WASHER | A50001-- | |
| 46 | 07042-80415 | PLUG | A50001-- | |
| 47 | 07042-80108 | PLUG | A50001-- | |
| 48 | 01010-61665 | BOLT | A50001-- | |
| 49 | 01643-31645 | WASHER | A50001-- |
