
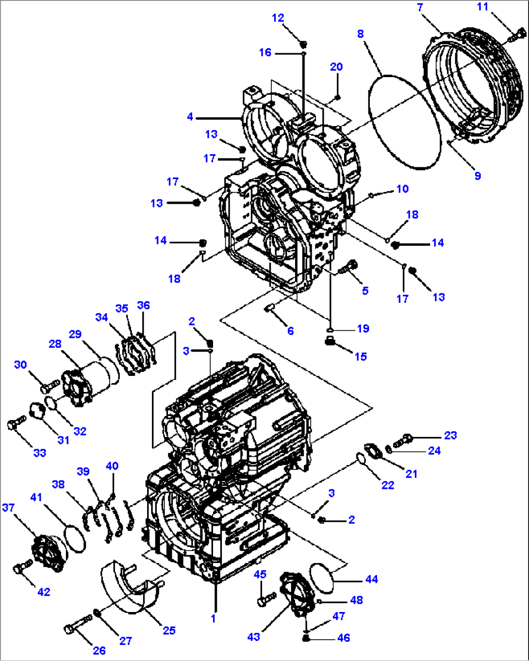
| Item | Part No. | Part Name | Qty | Serial No. |
| TRANSMISSION (SEE FIG. F4350-52A0) | A45001-- | |||
| 1 | 714-07-48112 | CASE, FRONT | A45001-- | |
| 2 | 723-11-18190 | PLUG | A45001-- | |
| 3 | 07002-61023 | O-RING | A45001-- | |
| 4 | 714-07-48123 | CASE, REAR | A45001-- | |
| 5 | 01010-81240 | BOLT | A45001-- | |
| 6 | 04020-01228 | PIN | A45001-- | |
| 7 | 714-07-48131 | HOUSING | A45001-- | |
| 8 | 07000-75475 | O-RING | A45001-- | |
| 9 | 07000-73028 | O-RING | A45001-- | |
| 10 | 07000-73022 | O-RING | A45001-- | |
| 11 | 01010-81240 | BOLT | A45001-- | |
| 12 | 723-11-18190 | PLUG | A45001-- | |
| 13 | 714-24-25190 | PLUG | A45001-- | |
| 14 | 723-11-15110 | PLUG | A45001-- | |
| 15 | 720-2M-11550 | PLUG | A45001-- | |
| 16 | 07002-61023 | O-RING | A45001-- | |
| 17 | 07002-61423 | O-RING | A45001-- | |
| 18 | 07002-61623 | O-RING | A45001-- | |
| 19 | 07002-62034 | O-RING | A45001-- | |
| 20 | 714-12-32960 | PLUG | A45001-- | |
| 21 | 561-33-71860 | PLATE | A45001-- | |
| 22 | 07000-73048 | O-RING | A45001-- | |
| 23 | 01010-81230 | BOLT | A45001-- | |
| 24 | 01643-31232 | WASHER | A45001-- | |
| 25 | 714-07-44911 | COVER, GEAR | A45001-- | |
| 26 | 01011-81215 | BOLT | A45001-- | |
| 27 | 01643-31232 | WASHER | A45001-- | |
| 28 | 714-07-47210 | CAGE | A45001-- | |
| 29 | 07000-75130 | O-RING | A45001-- | |
| 30 | 01010-81240 | BOLT | A45001-- | |
| 31 | 714-13-11350 | COVER | A45001-- | |
| 32 | 07000-72065 | O-RING | A45001-- | |
| 33 | 01010-81225 | BOLT | A45001-- | |
| 34 | 714-07-44310 | SHIM | A45001-- | |
| 35 | 714-07-44320 | SHIM | A45001-- | |
| 36 | 714-07-44330 | SHIM | A45001-- | |
| 37 | 714-07-47231 | CAGE | A45001-- | |
| 38 | 714-07-44410 | SHIM | A45001-- | |
| 39 | 714-07-44420 | SHIM | A45001-- | |
| 40 | 714-07-44430 | SHIM | A45001-- | |
| 41 | 07000-75130 | O-RING | A45001-- | |
| 42 | 01010-81240 | BOLT | A45001-- | |
| 43 | 714-07-47220 | CAGE | A45001-- | |
| 44 | 07000-75150 | O-RING | A45001-- | |
| 45 | 01010-81240 | BOLT | A45001-- | |
| 46 | 723-11-18190 | PLUG | A45001-- | |
| 47 | 07002-61023 | O-RING | A45001-- | |
| 48 | 07000-72015 | O-RING | A45001-- |
