
Item | Part No. | Part Name | Qty | Serial No. |
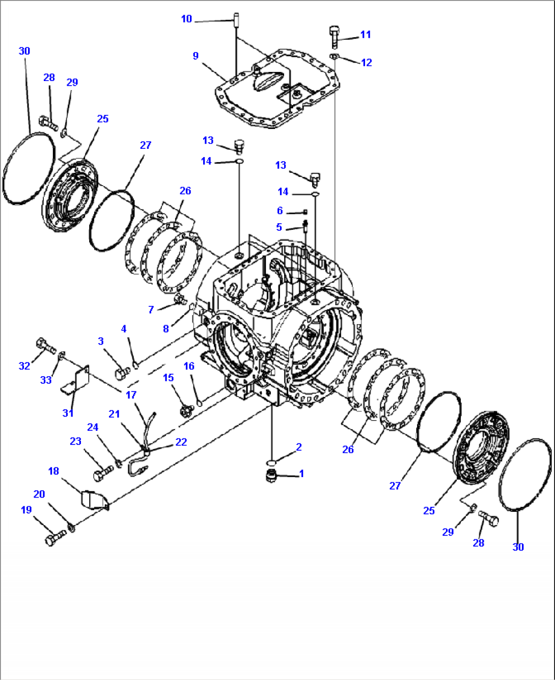
AXLE ASSEMBLY (SEE FIG. F4500-51B0) | A48001-- | |||
DIFFERENTIAL (SEE FIG. F4500-53B0) | A48001-- | |||
1 | 07044-13620 | PLUG | A48001-- | |
2 | 07002-13634 | O-RING | A48001-- | |
3 | 07040-11409 | PLUG | A48001-- | |
4 | 07002-61423 | O-RING | A48001-- | |
5 | 419-33-11460 | BLEEDER | A48001-- | |
6 | 566-32-11620 | CAP | A48001-- | |
7 | 07040-12012 | PLUG | A48001-- | |
8 | 07002-12034 | O-RING | A48001-- | |
9 | 421-23-33851 | COVER | A48001-- | |
10 | 04020-01228 | PIN | A48001-- | |
11 | 01010-61440 | BOLT | A48001-- | |
12 | 01643-31445 | WASHER | A48001-- | |
13 | 07040-11812 | PLUG | A48001-- | |
14 | 07002-11823 | O-RING | A48001-- | |
15 | 07041-13612 | PLUG | A48001-- | |
16 | 07002-13634 | O-RING | A48001-- | |
17 | 426-06-31120 | SENSOR | A48001-- | |
18 | 419-22-33812 | COVER | A48001-- | |
19 | 01010-61225 | BOLT | A48001-- | |
20 | 01643-31232 | WASHER | A48001-- | |
21 | 04434-51612 | CLIP | A48001-- | |
22 | 07095-20211 | CUSHION | A48001-- | |
23 | 01010-61225 | BOLT | A48001-- | |
24 | 01643-31232 | WASHER | A48001-- | |
25 | 421-22-31180 | CARRIER | A48001-- | |
26 | 421-23-31361 | SHIM, 0.05 MM | A48001-- | |
421-23-31371 | SHIM, 0.20 MM | A48001-- | ||
421-23-31381 | SHIM, 0.30 MM | A48001-- | ||
421-23-31391 | SHIM, 0.80 MM | A48001-- | ||
27 | 421-33-31430 | RING | A48001-- | |
28 | 01010-61445 | BOLT | A48001-- | |
29 | 01643-31445 | WASHER | A48001-- | |
30 | 421-33-21410 | SEAL | A48001-- | |
31 | 421-22-33230 | BRACKET | A48001-- | |
32 | 01010-61025 | BOLT | A48001-- | |
33 | 01643-31032 | WASHER | A48001-- |