
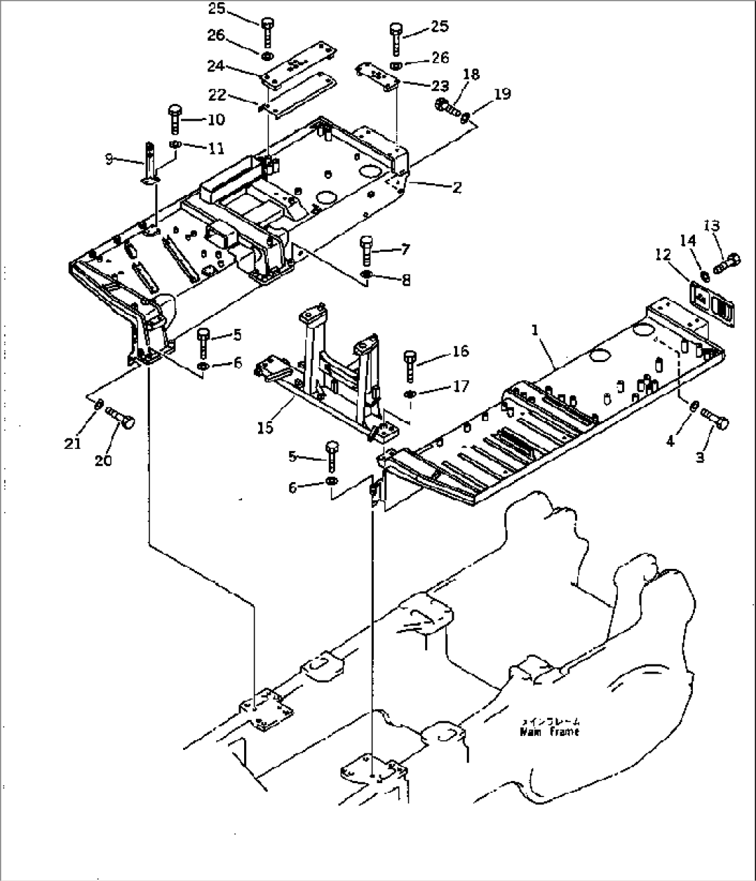
| Item | Part No. | Part Name | Qty | Serial No. |
| 1 | 195-54-43613 | FENDER,L.H. | 16531- | |
| 1 | 195-54-43612 | FENDER,L.H. | 16001-16530 | |
| 2 | 195-54-43623 | FENDER,R.H. | 16531- | |
| 2 | 195-54-43622 | FENDER,R.H. | 16001-16530 | |
| 3 | 01010-52475 | BOLT | 16001- | |
| 4 | 01643-32460 | WASHER | 16001- | |
| 5 | 01011-52405 | BOLT | 16001- | |
| 6 | 01643-32460 | WASHER | 16001- | |
| 7 | 01011-82710 | BOLT | 16001- | |
| 8 | 01643-32780 | WASHER | 16001- | |
| 9 | 195-54-53390 | ANGLE | 16001- | |
| 10 | 01010-51225 | BOLT | 16001- | |
| 11 | 01643-31232 | WASHER | 16001- | |
| 12 | 195-54-43121 | COVER | 16531- | |
| 12 | 198-54-46170 | COVER | 16001-16530 | |
| 13 | 01010-50825 | BOLT | 16531- | |
| 13 | 01010-51225 | BOLT | 16001-16530 | |
| 14 | 01643-30823 | WASHER | 16531- | |
| 14 | 205-06-62460 | WASHER | 16001-16530 | |
| 15 | 195-54-42321 | BRACKET | 16001- | |
| 16 | 01011-52015 | BOLT | 16001- | |
| 17 | 01643-32060 | WASHER | 16001- | |
| 18 | 01011-83015 | BOLT | 16001- | |
| 19 | 01643-33080 | WASHER | 16001- | |
| 20 | 01010-51225 | BOLT | 16001- | |
| 21 | 01643-31232 | WASHER | 16001- | |
| 22 | 195-54-43740 | PLATE | 16001- | |
| 23 | 195-54-43570 | PLATE | 16001- | |
| 24 | 195-54-43530 | PLATE | 16001- | |
| 25 | 01010-51225 | BOLT | 16001- | |
| 26 | 01643-31232 | WASHER | 16001- |
