
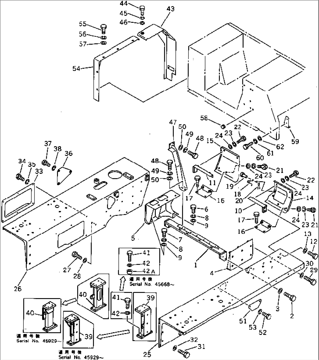
| Item | Part No. | Part Name | Qty | Serial No. |
| 1 | 144-54-12411 | BRACKET | 45001- | |
| 2 | 01010-51640 | BOLT | 45001- | |
| 3 | 01643-31645 | WASHER | 45001- | |
| 4 | 144-54-12420 | BRACKET,L.H. | 45001- | |
| 5 | 144-54-12431 | BRACKET,R.H. | 45001- | |
| 6 | 01010-51435 | BOLT | 45001- | |
| 7 | 01010-51440 | BOLT | 45001- | |
| 8 | 01602-21442 | WASHER,SPRING | 45001- | |
| 9 | 01643-31445 | WASHER | 45001- | |
| 10 | 144-65-11520 | BRACKET,L.H. | 45001- | |
| 11 | 144-65-11530 | BRACKET,R.H. | 45001- | |
| 12 | 01010-51640 | BOLT | 45001- | |
| 13 | 01643-31645 | WASHER | 45001- | |
| 14 | 144-65-11540 | COVER,L.H. | 45001- | |
| 15 | 144-65-11550 | COVER,R.H. | 45001- | |
| 16 | 144-65-11510 | BRACKET | 45001- | |
| 17 | 01010-51445 | BOLT | 45001- | |
| 18 | 131-54-11150 | SPRING | 45001- | |
| 19 | 04205-00616 | PIN | 45001- | |
| 20 | 04050-01610 | PIN,COTTER | 45001- | |
| 21 | 01010-51230 | BOLT | 45001- | |
| 22 | 01010-51225 | BOLT | 45001- | |
| 23 | 01602-21236 | WASHER,SPRING | 45001- | |
| 24 | 01643-31232 | WASHER | 45001- | |
| 25 | 144-54-51440 | FENDER | 45535- | |
| 25 | 144-54-51410 | FENDER | 45001-45534 | |
| 25 | 144-54-51410 | FENDER,(FOR ROPS) | 45535- | |
| 26 | 144-54-51450 | FENDER | 45535- | |
| 26 | 144-54-51420 | FENDER | 45001-45534 | |
| 26 | 144-54-51420 | FENDER,(FOR ROPS) | 45535- | |
| 27 | 01010-51645 | BOLT | 45001- | |
| 28 | 01643-31645 | WASHER | 45001- | |
| 29 | 01010-51635 | BOLT | 45001- | |
| 30 | 01643-31645 | WASHER | 45001- | |
| 31 | 01010-51635 | BOLT | 45001- | |
| 32 | 01643-31645 | WASHER | 45001- | |
| 33 | 144-54-14272 | PLATE | 45001- | |
| 34 | 01010-51225 | BOLT | 45001- | |
| 35 | 01602-21236 | WASHER,SPRING | 45001- | |
| 36 | 144-54-14440 | COVER | 45001- | |
| 37 | 01010-51225 | BOLT | 45001- | |
| 38 | 01602-21236 | WASHER,SPRING | 45001- | |
| 39 | 144-54-14750 | BRACKET,L.H. | 45929- | |
| 39 | \1\144-54-14710 | BRACKET,L.H. | 45535-45928 | |
| 39 | 144-54-14451 | BRACKET,L.H. | 45001-45534 | |
| 40 | 144-54-14760 | BRACKET,R.H. | 45929- | |
| 40 | \1\144-54-14720 | BRACKET,R.H. | 45535-45928 | |
| 40 | 144-54-14461 | BRACKET,R.H. | 45001-45534 | |
| 41 | 01010-51475 | BOLT | 45668- | |
| 41 | 01010-51440 | BOLT | 45001-45667 | |
| 42 | 01602-21442 | WASHER,SPRING | 45001- | |
| 42A | 144-54-51270 | COLLAR | 45668- | |
| 43 | 144-54-15350 | COVER | 45001- | |
| 44 | 01010-51225 | BOLT | 45001- | |
| 45 | 01602-21236 | WASHER,SPRING | 45001- | |
| 46 | 01643-31232 | WASHER | 45001- | |
| 47 | 144-54-15340 | BRACKET | 45001- | |
| 48 | 01010-51230 | BOLT | 45001- | |
| 49 | 01602-21236 | WASHER,SPRING | 45001- | |
| 50 | 01643-31232 | WASHER | 45001- | |
| 51 | 144-54-14470 | COVER | 45001- | |
| 52 | 01010-51225 | BOLT | 45001- | |
| 53 | 01602-21236 | WASHER | 45001- | |
| 54 | 144-54-15410 | COVER | 45001- | |
| 55 | 01010-51225 | BOLT | 45001- | |
| 56 | 01602-21236 | WASHER,SPRING | 45001- | |
| 57 | 01643-31232 | WASHER | 45001- | |
| 58 | 09415-01008 | CAP | 45001- | |
| 59 | 144-54-25280 | BRACKET | 45001- | |
| 60 | 01010-51225 | BOLT | 45001- | |
| 61 | 01602-21236 | WASHER,SPRING | 45001- | |
| 62 | 01643-31232 | WASHER | 45001- |
