
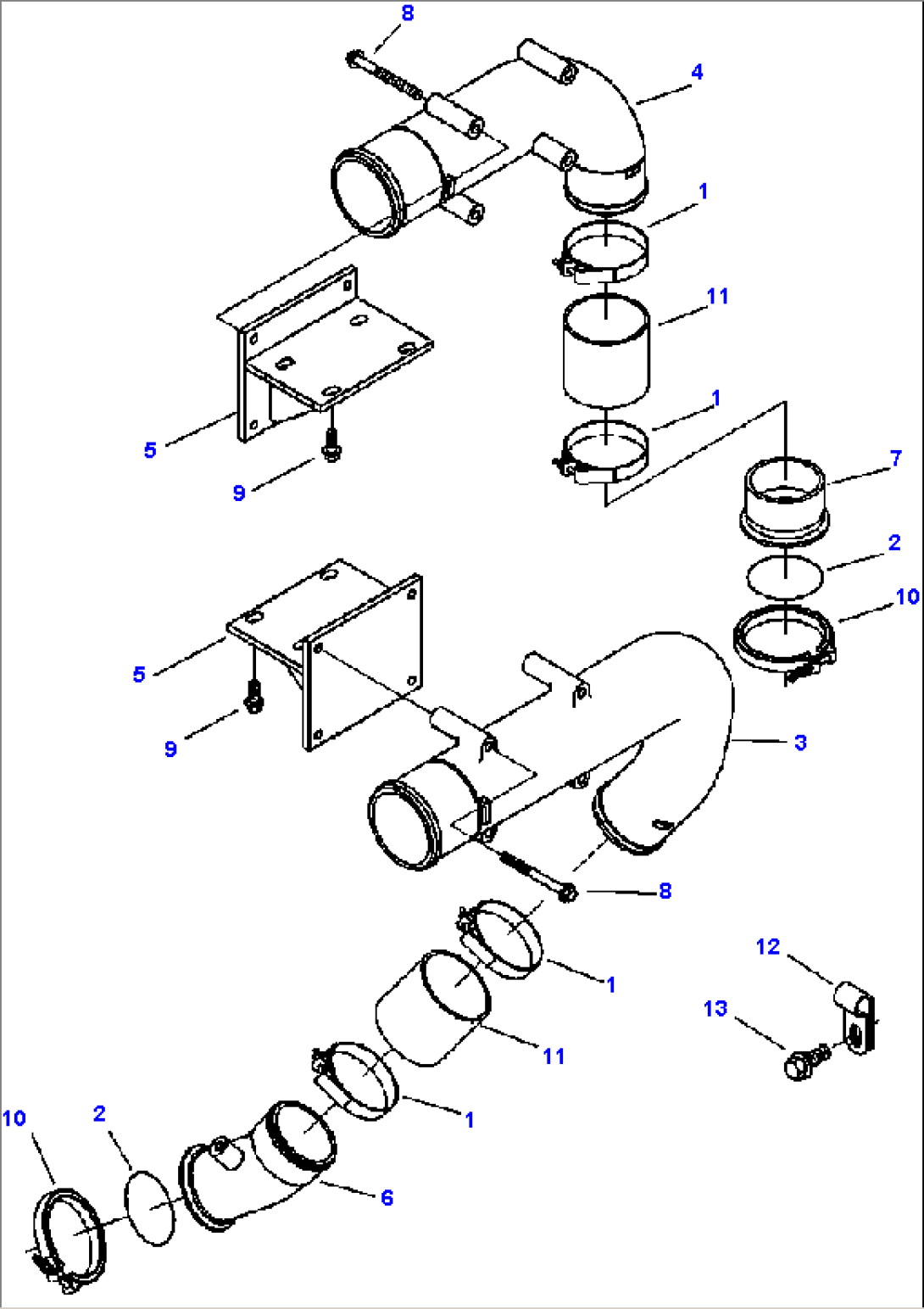
| Item | Part No. | Part Name | Qty | Serial No. |
| 1 | 1307 984 H1 | CLAMP, T-BOLT | ||
| 2 | 6216-84-8580 | SEAL, O-RING | ||
| 3 | 6216-11-671A | CONNECTION, AIR TRANSFER | ||
| 4 | 6216-11-669A | CONNECTION, AIR TRANSFER | ||
| 5 | 6216-11-672A | BRACKET, CONNECTION | ||
| 6 | 6216-11-663A | CONNECTION, AIR OUTLET | ||
| 7 | 6216-11-664A | CONNECTION, AIR OUTLET | ||
| 8 | 01436-01000 | BOLT (M10-1.50x100) | ||
| 9 | 6731-61-4250 | BOLT (M10-1.50x25) | ||
| 10 | 6216-14-4410 | CLAMP, V-BAND | ||
| 11 | 1307 985 H1 | HOSE, PLAIN | ||
| 12 | 6151-53-8280 | CLIP | ||
| 13 | 6216-54-7320 | BOLT (M10-1.50x16) |
