
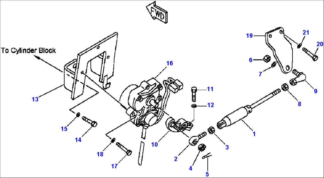
| Item | Part No. | Part Name | Qty | Serial No. |
| 1 | 207-43-68150 | SPRING, FUEL CONTROL | A83001-- | |
| 2 | 04252-21061 | END | A83001-- | |
| 3 | 01582-11008 | NUT | A83001-- | |
| 4 | 01593-31008 | NUT | A83001-- | |
| 5 | 04050-12022 | PIN, COTTER | A83001-- | |
| 6 | 01582-11008 | NUT | A83001-- | |
| 7 | 01643-31032 | WASHER | A83001-- | |
| 8 | 01582-11008 | NUT | A83001-- | |
| 9 | 04256-41020 | JOINT | A83001-- | |
| 10 | 207-43-68121 | LEVER | A83001-- | |
| 11 | 01010-81030 | BOLT | A83001-- | |
| 12 | 01602-21030 | WASHER | A83001-- | |
| 13 | 207-43-68160 | BRACKET | A83001-- | |
| 14 | 01010-81025 | BOLT | A83001-- | |
| 15 | 01643-31032 | WASHER | A83001-- | |
| 16 | 7834-40-3003 | MOTOR, FUEL CONTROL | A83001-- | |
| 17 | 01010-81040 | BOLT | A83001-- | |
| 18 | 01643-31032 | WASHER | A83001-- | |
| 19 | 207-43-68110 | PLATE | A83001-- | |
| 20 | 01010-80620 | BOLT | A83001-- | |
| 21 | 01643-30623 | WASHER | A83001-- |
