
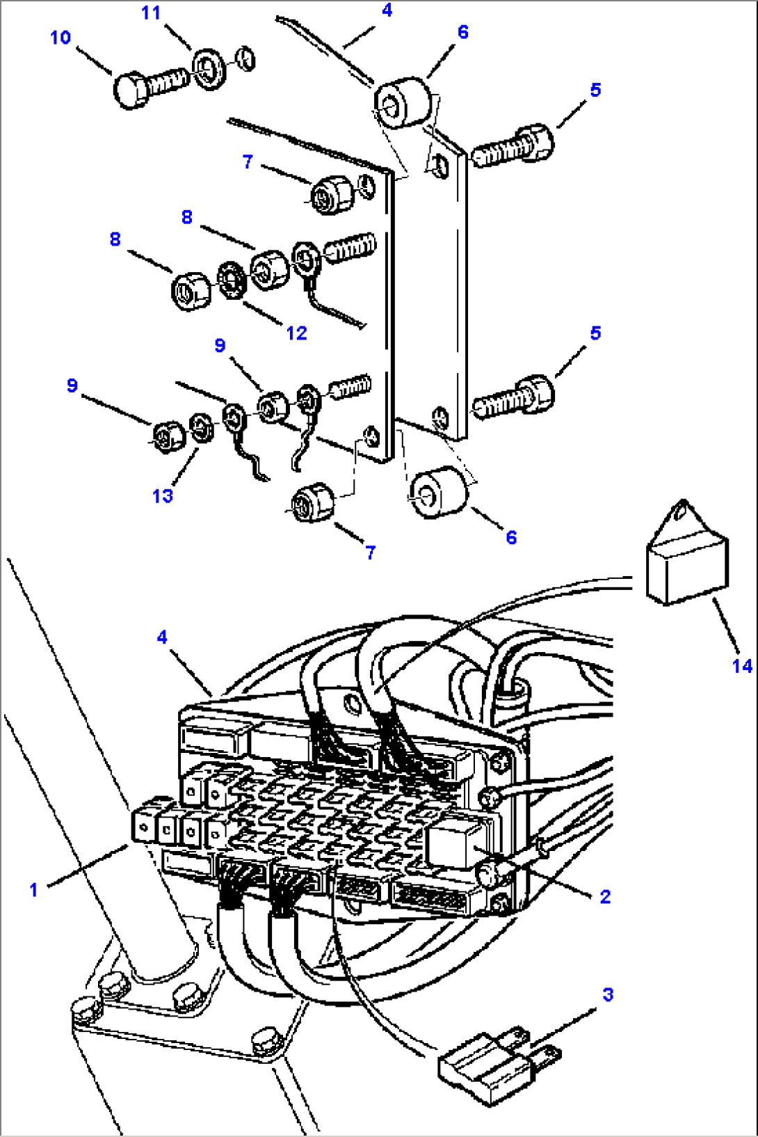
| Item | Part No. | Part Name | Qty | Serial No. |
| 312612118 | FUSE BOX | A90002-A90008- | ||
| 1 | 885071034 | RELAY | A90002-A90008- | |
| 2 | 885151008 | RELAY, INTERMITTENT | A90002-A90008- | |
| 3 | 885091006 | FUSE, 7.5 AMP | A90002-A90008- | |
| 885091007 | FUSE, 10 AMP | A90002-A90008- | ||
| 885091008 | FUSE, 15 AMP | A90002-A90008- | ||
| 885091012 | FUSE, 3 AMP | A90002-A90008- | ||
| 4 | 885071038 | PLATE | A90002-A90008- | |
| 5 | 801250033 | BOLT | A90002-A90008- | |
| 6 | 885411432 | DAMPER | A90002-A90008- | |
| 7 | 801852204 | NUT, LOCK | A90002-A90008- | |
| 8 | 801709206 | NUT | A90002-A90008- | |
| 9 | 801709205 | NUT | A90002-A90008- | |
| 10 | 801015096 | BOLT | A90002-A90008- | |
| 11 | 802170001 | WASHER | A90002-A90008- | |
| 12 | 802120006 | WASHER, SPRING | A90002-A90008- | |
| 13 | 802150505 | WASHER | A90002-A90008- | |
| 14 | 885070037 | FLASHER | A90002-A90008- |
