
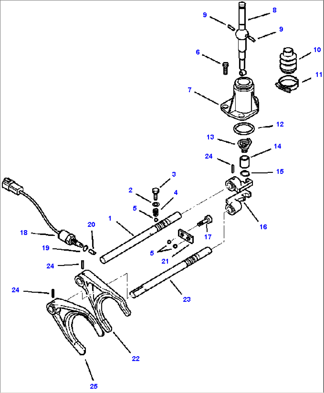
| Item | Part No. | Part Name | Qty | Serial No. |
| TRANSMISSION (SEE FIG. F3300-02A0) | A60056-- | |||
| 1 | CA0138118 | ROD | A60056-- | |
| 2 | CA0023288 | WASHER | A60056-- | |
| 3 | CA0138003 | BOLT | A60056-- | |
| 4 | CA0071352 | SPRING | A60056-- | |
| 5 | CA0028270 | BALL | A60056-- | |
| 6 | CA0021393 | BOLT | A60056-- | |
| 7 | CA0130299 | HOUSING, LEVER BASE | A60056-- | |
| 8 | CA0138549 | LEVER, CONTROL | A60056-- | |
| 9 | CA0117385 | PIN | A60056-- | |
| 10 | CA0117330 | BOOT | A60056-- | |
| 11 | CA0130404 | CLAMP | A60056-- | |
| 12 | CA0028205 | O-RING | A60056-- | |
| 13 | CA0138308 | SPRING | A60056-- | |
| 14 | CA0138309 | BUSHING | A60056-- | |
| 15 | CA0024772 | O-RING | A60056-- | |
| 16 | CA0130303 | SHIFTER | A60056-- | |
| 17 | CA0021407 | BOLT | A60056-- | |
| 18 | CA0049201 | SWITCH | A60056-- | |
| 19 | CA0132896 | SWITCH | A60056-- | |
| 20 | CA0023259 | WASHER | A60056-- | |
| 21 | CA0133331 | PIN | A60056-- | |
| 22 | CA0130306 | PLATE | A60056-- | |
| 23 | CA0130304 | FORK, 3RD & 4TH DRIVE | A60056-- | |
| 24 | CA0132865 | ROD | A60056-- | |
| 25 | CA0024444 | PIN | A60056-- |
