
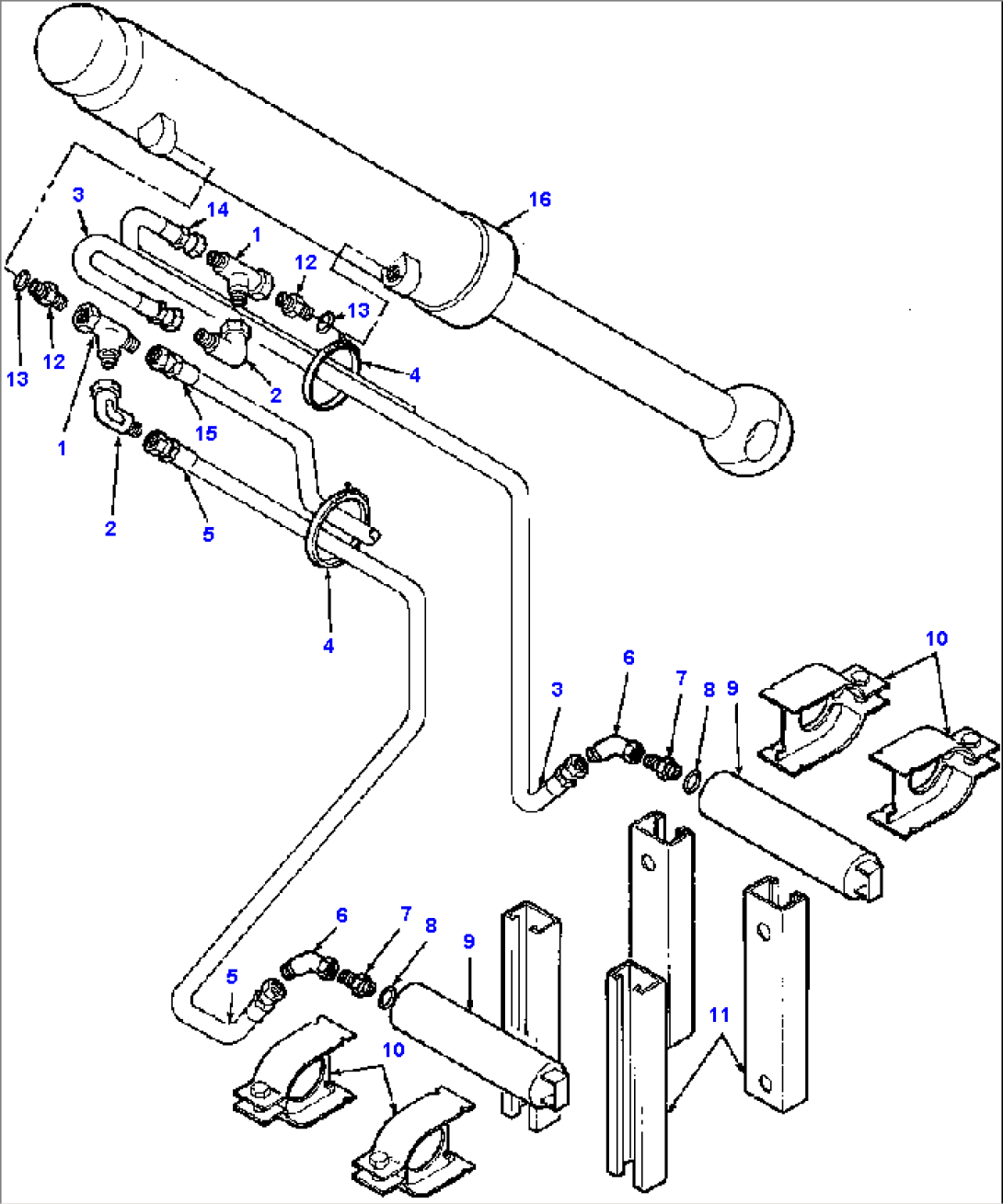
| Item | Part No. | Part Name | Qty | Serial No. |
| 1 | 9410 333 | TEE, SWIVEL NUT | ||
| 2 | 9410 281 | ELBOW, SWIVEL NUT - 90° | ||
| 3 | 162 457 | HOSE | ||
| 4 | 306 132 C1 | STRAP, TIE | ||
| 5 | 148 817 | HOSE | ||
| 6 | 9410 255 | ELBOW - 45° | ||
| 7 | 380 632 R1 | CONNECTOR, REDUCING | ||
| 8 | 570 828 R1 | O-RING | ||
| 9 | ACCUMULATOR (SEE FIG. H5240-01A0) | |||
| 10 | 1279 538 H1 | CLAMP, ACCUMULATOR | ||
| 11 | CHANNEL (SEE FIG. H5110-01A5) | |||
| 12 | 481 352 R1 | CONNECTOR | ||
| 13 | 364 885 R1 | O-RING | ||
| 14 | 1258 685 H1 | HOSE | ||
| 15 | 1258 730 H1 | HOSE | ||
| 16 | CYLINDER, DRAWBAR SIDE SHIFT (SEE FIG. H5200-01A7) |
