
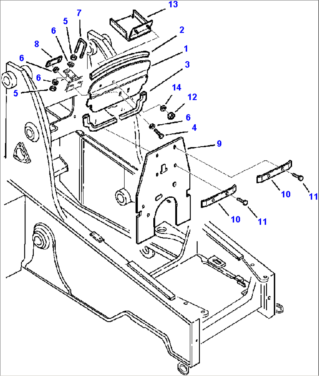
| Item | Part No. | Part Name | Qty | Serial No. |
| 1 | 312648804 | PLATE, BULKHEAD | A70010-- | |
| 2 | 312648845 | GASKET, TOP | A70010-- | |
| 3 | 855710058 | GASKET, BOTTOM | A70010-- | |
| 4 | 01010-81035 | BOLT | A70010-- | |
| 5 | 01580-11008 | NUT | A70010-- | |
| 6 | 01643-31032 | WASHER | A70010-- | |
| 7 | 312648805 | STRIKER, LATCH | A70010-- | |
| 8 | 312648736 | PLATE, THREADED | A70010-- | |
| 9 | 312648844 | MAT, RUBBER | A70010-- | |
| 10 | 312605756 | PLATE | A70010-- | |
| 11 | 01010-81040 | BOLT | A70010-- | |
| 12 | 801880206 | NUT, LOCK | A70010-- | |
| 13 | 312648075 | BRACKET, MOUNTING | A70010-- | |
| 14 | 01643-30623 | WASHER | A70010-- |
