
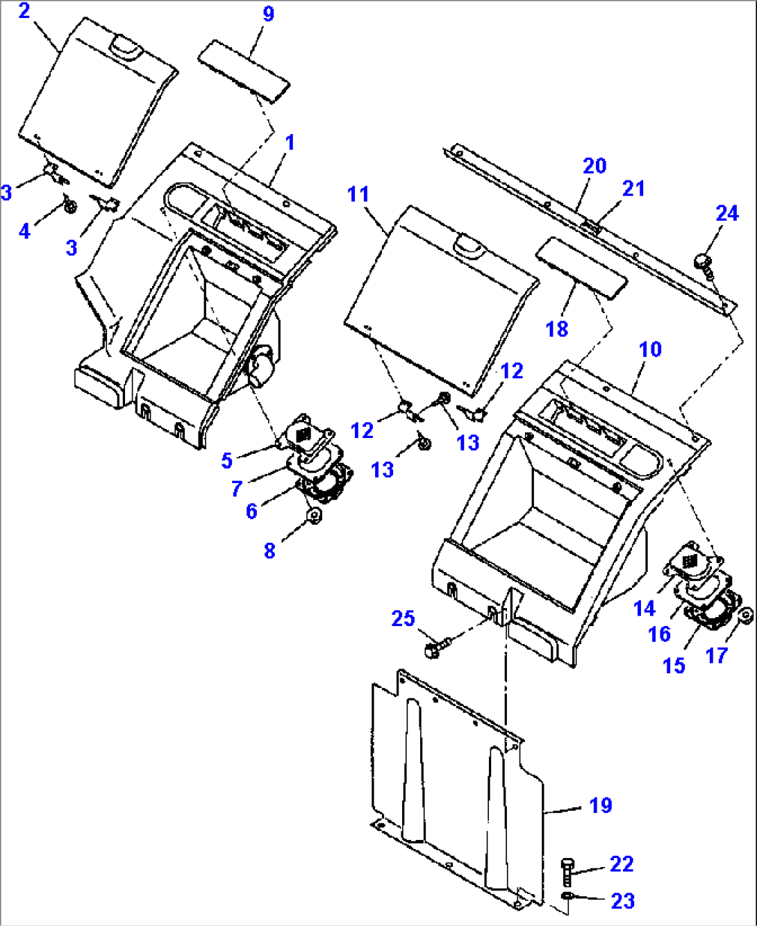
| Item | Part No. | Part Name | Qty | Serial No. |
| PANEL ASSEMBLY, RIGHT HAND (SEE FIG. K0180-01A0) | ||||
| 1 | 20Y-979-2581 | PANEL, RIGHT HAND | A83001-- | |
| 2 | 20Y-979-2511 | COVER, RIGHT HAND | A83001-- | |
| 3 | 20Y-979-2630 | HINGE | A83001-- | |
| 4 | 01370-20308 | SCREW | A83001-- | |
| 5 | 20Y-979-2541 | GRILLE, SPEAKER | A83001-- | |
| 6 | 08910-10000 | SPEAKER | A83001-- | |
| 7 | 20Y-979-3340 | SPACER | A83001-- | |
| 8 | 01584-00504 | NUT | A83001-- | |
| 9 | 20Y-977-2150 | COVER | A83001-- | |
| PANEL ASSEMBLY, LEFT HAND (SEE FIG. K0180-01A0) | ||||
| 10 | 20Y-979-2571 | PANEL, LEFT HAND | A83001-- | |
| 11 | 20Y-979-2590 | COVER, LEFT HAND | A83001-- | |
| 12 | 20Y-979-2630 | HINGE | A83001-- | |
| 13 | 01370-20308 | SCREW | A83001-- | |
| 14 | 20Y-979-2541 | GRILLE, SPEAKER | A83001-- | |
| 15 | 08910-10000 | SPEAKER | A83001-- | |
| 16 | 20Y-979-3340 | SPACER | A83001-- | |
| 17 | 01584-00504 | NUT | A83001-- | |
| 18 | 20Y-979-2150 | COVER | A83001-- | |
| 19 | 20Y-979-2671 | COVER | A83001-- | |
| 20 | 20Y-979-2281 | BRACKET | A83001-- | |
| 21 | 20Y-979-2290 | SEAT | A83001-- | |
| 22 | 01010-81220 | BOLT | A83001-- | |
| 23 | 01643-31232 | WASHER | A83001-- | |
| 24 | 01435-30830 | BOLT | A83001-- | |
| 25 | 01435-30820 | BOLT | A83001-- |
