
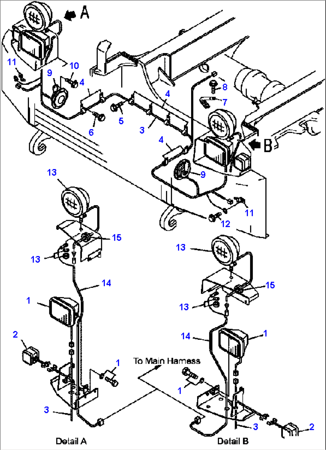
| Item | Part No. | Part Name | Qty | Serial No. |
| 1 | 424-06-23210 | HEAD LAMP | A10001-- | |
| 08056-00371 | CONNECTOR | A10001-- | ||
| 424-06-23220 | LENS | A10001-- | ||
| 424-06-23230 | BULB, 75/70W | A10001-- | ||
| 2 | 41G-06-13201 | LAMP, COMBINATION | A10001-- | |
| 41G-06-13210 | LENS, FRONT | A10001-- | ||
| 41G-06-13220 | LENS | A10001-- | ||
| 41G-06-13230 | BULB, 5W | A10001-- | ||
| 08105-12420 | BULB, 25W | A10001-- | ||
| 01220-40425 | SCREW | A10001-- | ||
| 08021-00400 | CONNECTOR | A10001-- | ||
| 08022-04001 | CONNECTOR | A10001-- | ||
| 3 | 56B-06-14412 | WIRING HARNESS | A10001-- | |
| 4 | 08036-01414 | CLIP | A10001-- | |
| 5 | 01435-01016 | BOLT | A10001-- | |
| 6 | 01435-01020 | BOLT | A10001-- | |
| 7 | 131-06-21160 | CABLE | A10001-- | |
| 8 | 01435-01020 | BOLT | A10001-- | |
| 9 | 427-06-21210 | HORN | A10001-- | |
| 10 | 01435-01016 | BOLT | A10001-- | |
| 11 | 08053-01510 | CLIP | A10001-- | |
| 12 | 01435-01016 | BOLT | A10001-- | |
| 13 | 566-95-14200 | FOG LAMP | A10001-- | |
| 566-95-14220 | BULB, 55W | A10001-- | ||
| 14 | 56B-86-14410 | WIRING HARNESS | A10001-- | |
| 15 | 135-06-34260 | GROMMET | A10001-- |
