
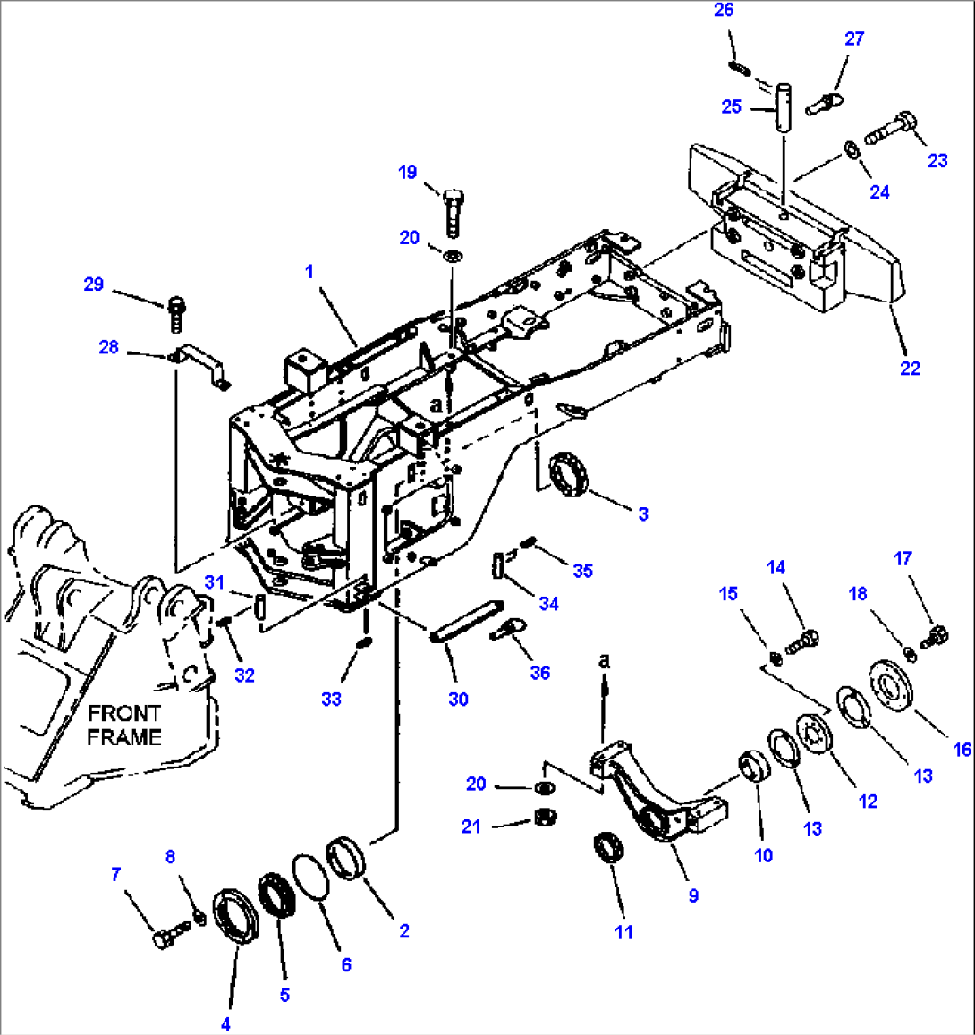
| Item | Part No. | Part Name | Qty | Serial No. |
| 1 | 424-46-A2910 | FRAME, REAR | ||
| 2 | 424-46-12162 | BUSHING, FRONT | ||
| 3 | 421-46-15121 | PACKING | ||
| 4 | 424-46-12310 | RETAINER | ||
| 5 | 421-46-15112 | PACKING | ||
| 6 | 07000-15305 | O-RING | ||
| 7 | 01010-81235 | BOLT | ||
| 8 | 01643-31232 | WASHER | ||
| 9 | 424-46-12156 | SUPPORT | ||
| 10 | 424-46-12172 | BUSHING | ||
| 11 | 421-46-15132 | PACKING | ||
| 12 | 424-46-12221 | PLATE, THRUST | ||
| 13 | 424-46-12182 | WASHER, THRUST | ||
| 14 | 01010-31670 | BOLT | ||
| 15 | 01643-31645 | WASHER | ||
| 16 | 424-46-12191 | COVER | ||
| 17 | 01010-31660 | BOLT | ||
| 18 | 01643-31645 | WASHER | ||
| 19 | 01011-62790 | BOLT | ||
| 20 | 01643-32780 | WASHER | ||
| 21 | 01580-02722 | NUT | ||
| 22 | 423-46-13313 | COUNTERWEIGHT, STANDARD | ||
| 22 | 424-974-1111 | COUNTERWEIGHT, LOGGING | ||
| 23 | 01011-32455 | BOLT | ||
| 23 | 423-974-1120 | BOLT | ||
| 24 | 22X-22-11280 | WASHER | ||
| 25 | 424-46-13221 | PIN | ||
| 26 | 04025-01000 | PIN, SPRING | ||
| 27 | 426-46-12280 | PIN, LINCH | ||
| 28 | 423-46-12171 | PLATE | ||
| 29 | 01010-81635 | BOLT | ||
| 30 | 421-46-12920 | BAR, LOCK | ||
| 31 | 421-46-12721 | PIN | ||
| 32 | 04025-01065 | PIN, SPRING | ||
| 33 | 04025-01065 | PIN, SPRING | ||
| 34 | 421-46-12731 | PIN | ||
| 35 | 04025-01065 | PIN, SPRING | ||
| 36 | 421-46-12740 | PIN, LINCH | ||
| F1 - USED WITH STANDARD COUNTERWEIGHT. | ||||
| F2 - USED WITH LOGGING COUNTERWEIGHT/HI-LIFT BOOM. | ||||
