
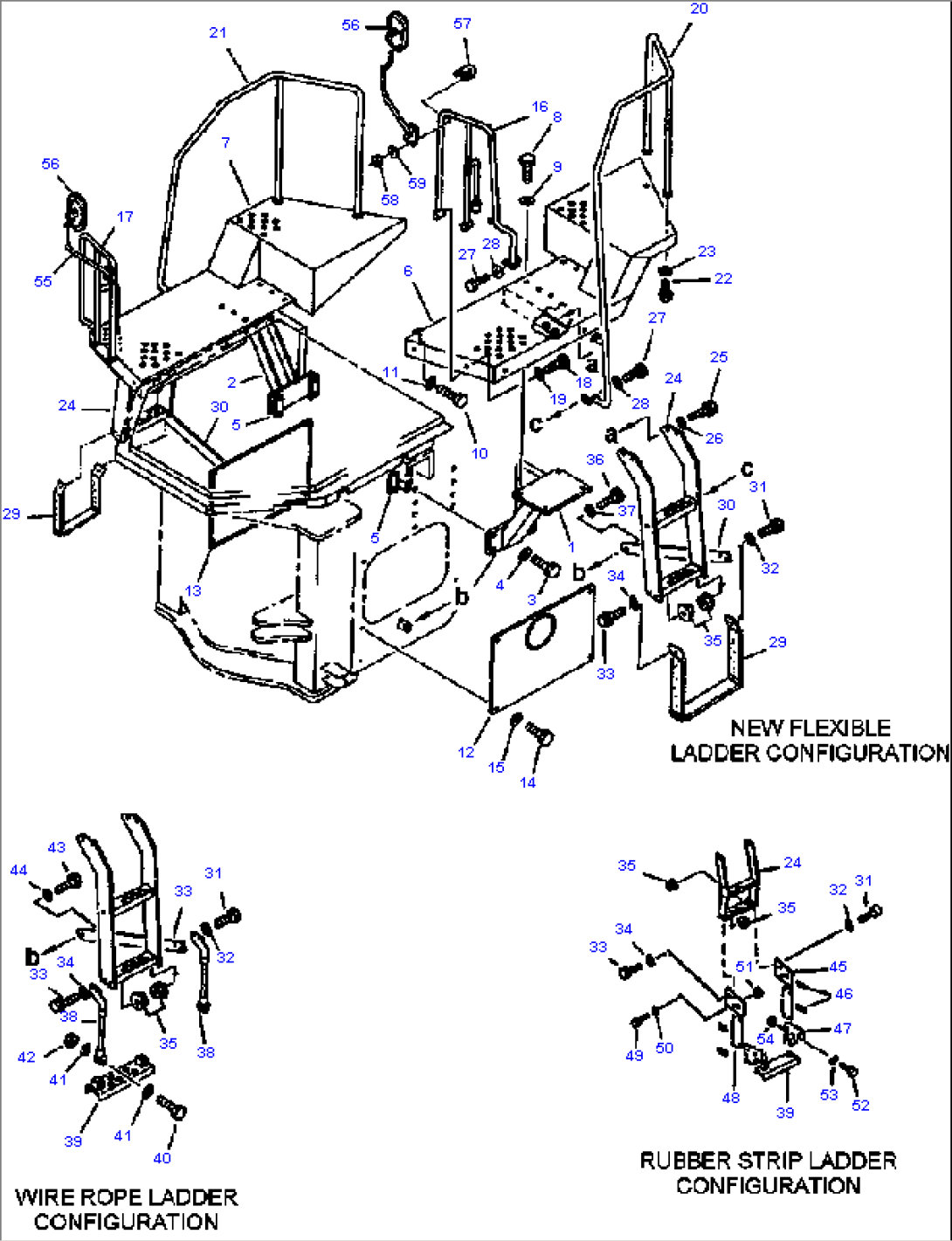
| Item | Part No. | Part Name | Qty | Serial No. |
| 1 | 421-928-1131 | SUPPORT, L.H | ||
| 2 | 421-928-1121 | SUPPORT, R.H | ||
| 3 | 421-928-1150 | BOLT | ||
| 4 | 01643-32460 | WASHER | ||
| 5 | 421-928-A210 | PLATE | ||
| 6 | 424-54-12612 | FLOOR, L.H | ||
| 7 | 424-54-12622 | FLOOR, R.H | ||
| 8 | 01010-82450 | BOLT | ||
| 9 | 01643-32460 | WASHER | ||
| 10 | 01010-81260 | BOLT | ||
| 11 | 124-54-26540 | WASHER | ||
| 12 | 421-54-14623 | COVER, L.H | ||
| 13 | 421-54-14633 | COVER, R.H | ||
| 14 | 01010-81220 | BOLT | ||
| 15 | 01643-31232 | WASHER | ||
| 16 | 424-54-14623 | RAIL, HAND - L.H | ||
| 16 | 424-54-A1280 | RAIL, HAND - L.H | ||
| 17 | 424-54-15172 | RAIL, HAND - R.H | ||
| 17 | 424-54-A1290 | RAIL, HAND - R.H | ||
| 18 | 01435-01230 | BOLT | ||
| 19 | 01643-31232 | WASHER | ||
| 20 | 424-54-12441 | RAIL, HAND - L.H | ||
| 21 | 424-54-12451 | RAIL, HAND - R.H | ||
| 22 | 01010-81225 | BOLT | ||
| 23 | 124-54-26540 | WASHER | ||
| 24 | 424-54-12412 | LADDER | ||
| 25 | 01010-81240 | BOLT | ||
| 26 | 01643-31232 | WASHER | ||
| 27 | 01010-81230 | BOLT | ||
| 28 | 424-54-14220 | WASHER | ||
| 29 | 421-54-24980 | STEP, FLEXIBLE LADDER | ||
| 30 | 421-54-14564 | STAY | ||
| 31 | 01435-01245 | BOLT | ||
| 31 | 01010-81240 | BOLT | ||
| 32 | 01643-31232 | WASHER | ||
| 33 | 01435-01235 | BOLT | ||
| 33 | 01010-81230 | BOLT | ||
| 34 | 01643-31232 | WASHER | ||
| 35 | 01584-01210 | NUT | ||
| 36 | 01435-01230 | BOLT | ||
| 37 | 01643-31232 | WASHER | ||
| 38 | 423-54-14260 | ROPE, WIRE | ||
| 39 | 423-54-12770 | STEP | ||
| 40 | 01010-81265 | BOLT | ||
| 41 | 01643-31232 | WASHER | ||
| 42 | 426-43-19150 | NUT | ||
| 43 | 01010-01230 | BOLT | ||
| 44 | 01643-31232 | WASHER | ||
| 45 | 419-54-A1470 | PLATE, STEP | ||
| 46 | 1137 377 C1 | BAR | ||
| 47 | 419-54-A1370 | BRACKET, STEP | ||
| 48 | 419-54-A1480 | STRIP, RUBBER | ||
| 49 | 01010-81235 | BOLT | ||
| 50 | 01643-31232 | WASHER | ||
| 51 | 01584-01210 | NUT | ||
| 52 | 01010-81265 | BOLT | ||
| 53 | 01643-31232 | WASHER | ||
| 54 | 426-43-19150 | NUT | ||
| 55 | 421-54-13370 | SUPPORT, MIRROR | ||
| 56 | 08174-33123 | MIRROR | ||
| 57 | 07283-23442 | CLIP | ||
| 58 | 01599-01011 | NUT | ||
| 59 | 01643-31032 | WASHER | ||
| F1 - USED ON WIRE ROPE LADDER CONFIGURATION. | ||||
| F2 - USED ON RUBBER STRIP AND FLEXIBLE LADDER CONFIGURATIONS. | ||||
| F3 - USED ON WIRE ROPE AND RUBBER STRIP LADDER CONFIGURATIONS. | ||||
| F4 - REPLACES WIRE ROPE AND RUBBER STRIP LADDER CONFIGURATIONS. | ||||
| F5 - USED ON LATER MODELS PAINTED DRESSER YELLOW. | ||||
