
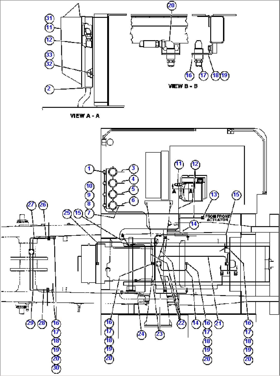
| Item | Part No. | Part Name | Qty | Serial No. |
| 1 | EG3181 | BRACKET, FIRE BOTTLE | ||
| 2 | SG2103 | GROMMET, RUBBER | ||
| 3 | HA5747 | HOSE | ||
| 4 | HA2593 | HOSE | ||
| 5 | HA0910 | HOSE | ||
| 6 | HA0913 | HOSE | ||
| 7 | TR9441 | CLAMP | ||
| 8 | VH9969 | WELD STUD - 3/8" - 16NC X 3/4" | ||
| 9 | C0312 | LOCKWASHER - 3/8" | ||
| 10 | C1521 | NUT - 3/8" - 16NC | ||
| 11 | VA3169 | ACTUATOR, REMOTE | ||
| 12 | HA1438 | HOSE | ||
| 13 | VM3931 | FITTING, UNION | ||
| 14 | VW9166 | HOSE | ||
| 15 | VW8348 | HOSE | ||
| 16 | VW5013 | BRACKET | ||
| 17 | PB5436 | NOZZLE | ||
| 18 | C1611 | CAPSCREW - 1/2" - 13NC X 3/4" | ||
| 19 | C1540 | LOCKWASHER - 1/2" | ||
| 20 | WB0265 | FITTING - 90 DEG | ||
| 21 | HA0544 | HOSE | ||
| 22 | TD2098 | HOSE | ||
| 23 | HA1322 | HOSE | ||
| 24 | HA0478 | HOSE | ||
| 25 | VW8360 | HOSE | ||
| 26 | HA1520 | HOSE | ||
| 27 | HA0640 | HOSE | ||
| 28 | VZ2856 | HOSE | ||
| 29 | KA7928 | HOSE | ||
| 30 | F4820 | NIPPLE, LONG | ||
| 31 | PB0674 | CARTRIDGE, ACTUATOR | ||
| 32 | MM0007 | CAPSCREW - M6 X 1.00 X 12 | ||
| 33 | MM0469 | LOCKWASHER - M6 |
