
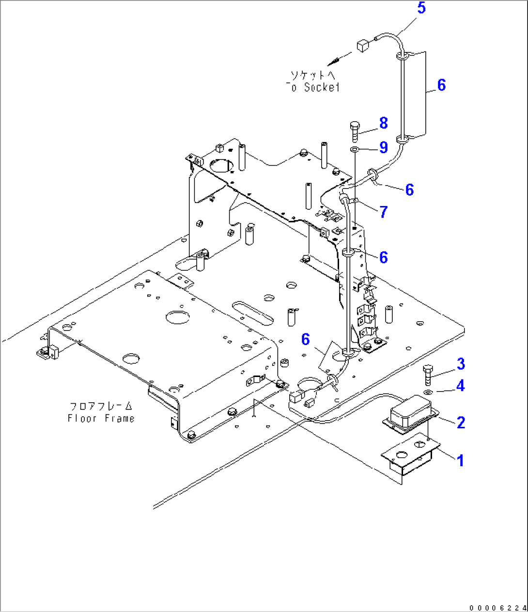
| Item | Part No. | Part Name | Qty | Serial No. |
| 1 | 20Y-06-31190 | BRACKET | 20001- | |
| 2 | 22U-06-22250 | CONVERTER | 20001- | |
| 3 | 01010-80620 | BOLT | 20001- | |
| 4 | 01643-30623 | WASHER | 20001- | |
| 5 | 20Y-06-31150 | WIRING HARNESS | 20001- | |
| 6 | 08034-20519 | BAND | 20001- | |
| 7 | 04434-51010 | CLIP | 20001- | |
| 8 | 01010-81020 | BOLT | 20001- | |
| 9 | 01643-31032 | WASHER | 20001- |
