
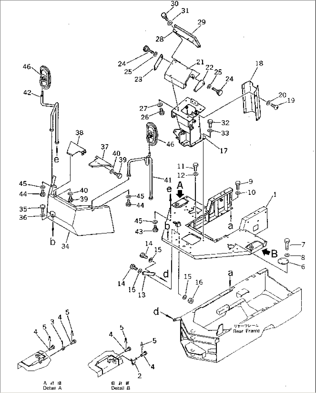
| Item | Part No. | Part Name | Qty | Serial No. |
| 1 | 415-54-12115 | FRAME,FLOOR | .-11999 | |
| 1 | 415-54-12114 | FRAME,FLOOR | 10001-. | |
| 2 | 09463-00002 | SPRING | 10001-11999 | |
| 3 | 09463-00006 | SPRING | 10001-11999 | |
| 4 | 04205-10618 | PIN | 10001-11999 | |
| 5 | 04050-01610 | PIN,COTTER | 10001-11999 | |
| 6 | 415-54-12520 | COVER | 10001-11999 | |
| 7 | 01010-50816 | BOLT | 10001-11999 | |
| 8 | 01643-30823 | WASHER | 10001-11999 | |
| 9 | 01010-51425 | BOLT | 10001-11999 | |
| 10 | 01643-31445 | WASHER | 10001-11999 | |
| 11 | 01010-51225 | BOLT | 10001-11999 | |
| 12 | 01643-31232 | WASHER | 10001-11999 | |
| 13 | 415-54-13221 | PLATE | 10001-11999 | |
| 14 | 01010-51240 | BOLT | 10001-11999 | |
| 15 | 01643-31232 | WASHER | 10001-11999 | |
| 16 | 01580-11210 | NUT | 10001-11999 | |
| 17 | 415-54-12313 | SUPPORT | 10001-11999 | |
| 18 | 415-54-12322 | COVER | 10001-11999 | |
| 19 | 01220-30812 | SCREW | 10001-11999 | |
| 20 | 01643-30823 | WASHER | 10001-11999 | |
| 21 | 415-54-12334 | BOX | 10001-11999 | |
| 22 | 415-54-12342 | PLATE | 10001-11999 | |
| 23 | 415-54-12630 | PLATE | 10001-11999 | |
| 24 | 01232-00616 | SCREW | 10001-11999 | |
| 25 | 01642-20608 | WASHER | 10001-11999 | |
| 26 | 01010-51225 | BOLT | 10001-11999 | |
| 27 | 01643-31232 | WASHER | 10001-11999 | |
| 28 | 415-54-12690 | PANEL | 10001-11999 | |
| 29 | 415-54-12650 | PROTECTOR | 10001-11999 | |
| 30 | 01010-50816 | BOLT | 10001-11999 | |
| 31 | 01643-30823 | WASHER | 10001-11999 | |
| 32 | 01010-51225 | BOLT | 10001-11999 | |
| 33 | 01643-31232 | WASHER | 10001-11999 | |
| 34 | 415-54-12491 | GUARD | 10001-11999 | |
| 35 | 01010-51230 | BOLT | 10001-11999 | |
| 36 | 01643-31232 | WASHER | 10001-11999 | |
| 37 | 415-54-16130 | COVER,L.H. | 10001-11999 | |
| 38 | 415-54-16140 | COVER,R.H. | 10001-11999 | |
| 39 | 01010-51220 | BOLT | 10001-11999 | |
| 40 | 01643-31232 | WASHER | 10001-11999 | |
| 41 | 415-54-12471 | HANDRAIL,L.H. | 10001-11999 | |
| 42 | 415-54-12481 | HANDRAIL,R.H. | 10001-11999 | |
| 43 | 01010-51230 | BOLT | 10001-11999 | |
| 44 | 01010-51245 | BOLT | 10001-11999 | |
| 45 | 01643-31232 | WASHER | 10001-11999 | |
| 46 | 08174-13116 | MIRROR | 10001-11999 |
