
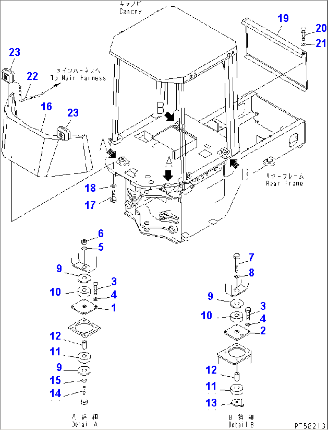
| Item | Part No. | Part Name | Qty | Serial No. |
| 1 | 273-54-62131 | PLATE | .- | |
| 273-54-62131 | PLATE | 21001-. | ||
| 2 | 273-54-62280 | PLATE | .- | |
| 3 | 01010-81025 | BOLT | 21001- | |
| 4 | 01643-31032 | WASHER | 21001- | |
| 5 | 232-60-54920 | WASHER | .- | |
| 232-60-54920 | WASHER | 21001-. | ||
| 6 | 01580-11613 | NUT | .- | |
| 01580-11613 | NUT | 21001-. | ||
| 7 | 01011-81620 | BOLT | 21001- | |
| 8 | 01643-31645 | WASHER | 21001- | |
| 9 | 234-54-11480 | PLATE | .- | |
| 234-54-11480 | PLATE | 21001-. | ||
| 10 | 237-54-11270 | CUSHION | 21001- | |
| 11 | 273-54-11810 | CUSHION | 21001- | |
| 12 | 273-54-11821 | COLLAR | 21001- | |
| 13 | 273-54-62290 | PLATE | .- | |
| 14 | 01011-81620 | BOLT | .- | |
| 15 | 01643-31645 | WASHER | .- | |
| 16 | 273-54-61310 | GUARD | 21001- | |
| 17 | 01010-81225 | BOLT | 21001- | |
| 18 | 01643-31232 | WASHER | 21001- | |
| 19 | 417-921-2470 | GUARD,REAR | 21001- | |
| 20 | 01010-81225 | BOLT | 21001- | |
| 21 | 01643-31232 | WASHER | 21001- | |
| 22 | 273-06-61310 | HARNESS | 21001- | |
| 23 | 23B-06-22211 | LAMP ASS'Y | 21001- | |
| 23B-06-12241 | LENS | 21001- | ||
| 08119-02460 | BULB¤ 60W | 21001- |
