
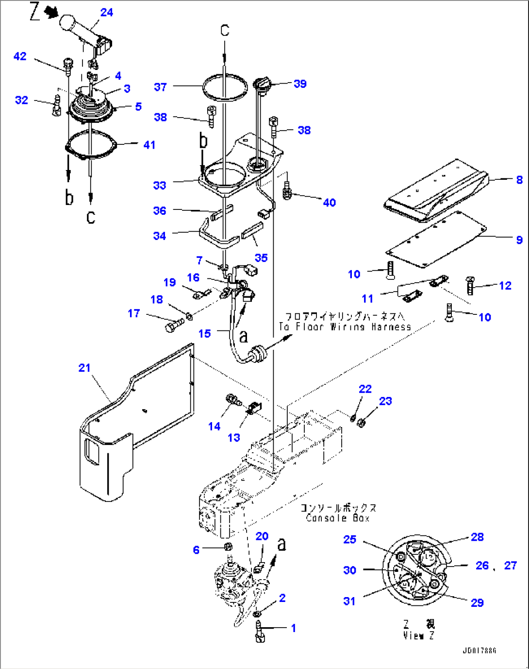
| Item | Part No. | Part Name | Qty | Serial No. |
| 1 | 01252-70825 | Bolt, Hexagon Socket Head | 12256- | |
| 2 | 01643-30823 | Washer | 12256- | |
| 2 | 14X-06-31311 | Wiring Harness | 12256- | |
| 3 | 154-43-73531 | Bracket | 12256- | |
| 4 | 154-43-73560 | Wiring Harness | 12256- | |
| 5 | 14X-43-34331 | Boot | 12256- | |
| 6 | 20T-43-71190 | Nut | 12256- | |
| 7 | 08034-20519 | Band | 12256- | |
| 7 | 154-43-73641 | Pad | 12256- | |
| 8 | 19M-43-33630 | Pad | 12256- | |
| 9 | 154-43-73631 | Plate | 12256- | |
| 10 | 01224-70408 | Screw, Philips Head | 12256- | |
| 11 | 19M-43-33660 | Hinge, Welded | 12256- | |
| 12 | 01224-70408 | Screw, Philips Head | 12256- | |
| 13 | 154-43-73651 | Magnet | 12256- | |
| 14 | 01023-10308 | Screw | 12256- | |
| 15 | 14X-06-31281 | Wiring Harness | 12256- | |
| 16 | 04435-51408 | Clip | 12256- | |
| 17 | 01010-80816 | Bolt | 12256- | |
| 18 | 01643-30823 | Washer | 12256- | |
| 19 | 08193-20010 | Clip | 12256- | |
| 20 | 08193-31012 | Clip | 12256- | |
| 21 | 14X-43-34390 | Pad | 12256- | |
| 22 | 01640-20610 | Washer | 12256- | |
| 23 | 01580-20605 | Nut | 12256- | |
| 24 | 19M-43-33111 | Knob Assembly | 12256- | |
| 25 | 19M-09-11510 | Bolt | 12256- | |
| 26 | 19M-43-33141 | Switch Assembly | 12256- | |
| 27 | 19M-43-33171 | Plate | 12256- | |
| 28 | 19M-43-33460 | Switch, Shift Down | 12256- | |
| 29 | 19M-43-33470 | Switch, Shift Up | 12256- | |
| 30 | 19M-43-33151 | Rubber | 12256- | |
| 31 | 19M-43-33161 | Cover | 12256- | |
| 32 | 01252-80514 | Bolt | 12256- | |
| 32 | 14X-43-34320 | Finisher Assembly | 12256- | |
| 33 | 154-43-73620 | Finisher Assembly | 12256- | |
| 34 | 14X-54-38310 | Sheet | 12256- | |
| 35 | 14X-54-38320 | Sheet | 12256- | |
| 36 | 14X-54-38330 | Sheet | 12256- | |
| 37 | 14X-54-38350 | Sheet | 12256- | |
| 38 | 01252-70520 | Bolt | 12256- | |
| 39 | 14X-06-31502 | Dial, Fuel | 12256- | |
| 40 | 01023-60410 | Screw | 12256- | |
| 41 | 14X-43-34341 | Cover | 12256- | |
| 42 | 01023-70414 | Screw | 12256- |
