
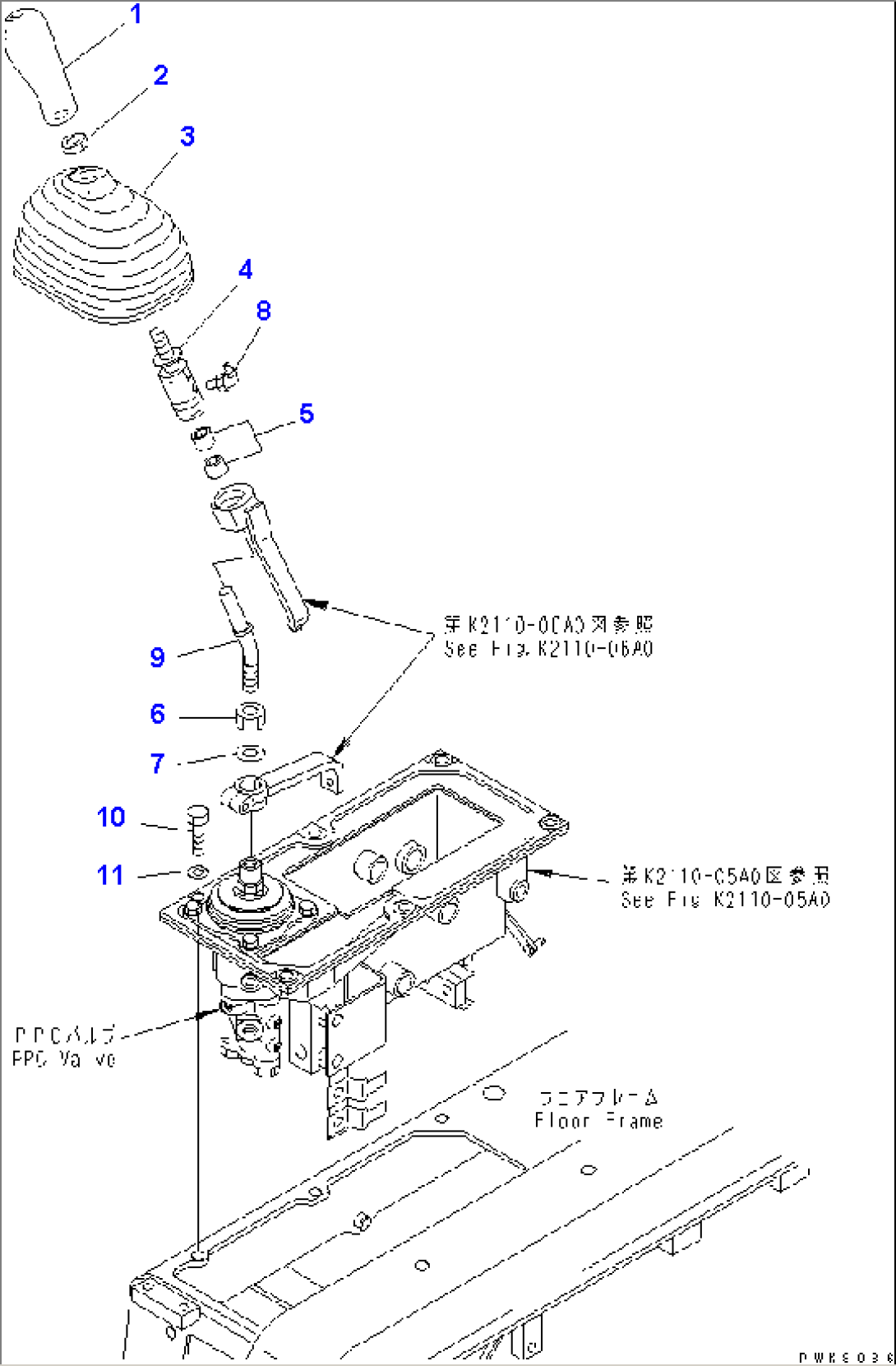
| Item | Part No. | Part Name | Qty | Serial No. |
| 1 | 17A-43-25681 | KNOB | B3001- | |
| 2 | 20T-43-71190 | NUT | B3001- | |
| 3 | 14X-43-11320 | BOOT | B3001- | |
| 4 | 14Z-43-13110 | LEVER | B3001- | |
| 5 | 06123-01414 | BEARING | B3001- | |
| 6 | 01583-11408 | NUT | B3001- | |
| 7 | 01641-21423 | WASHER | B3001- | |
| 8 | 07020-00900 | FITTING | B3001- | |
| 9 | 14Z-43-13120 | SHAFT | B3001- | |
| 10 | 01010-81030 | BOLT | B3001- | |
| 11 | 01643-31032 | WASHER | B3001- |
