
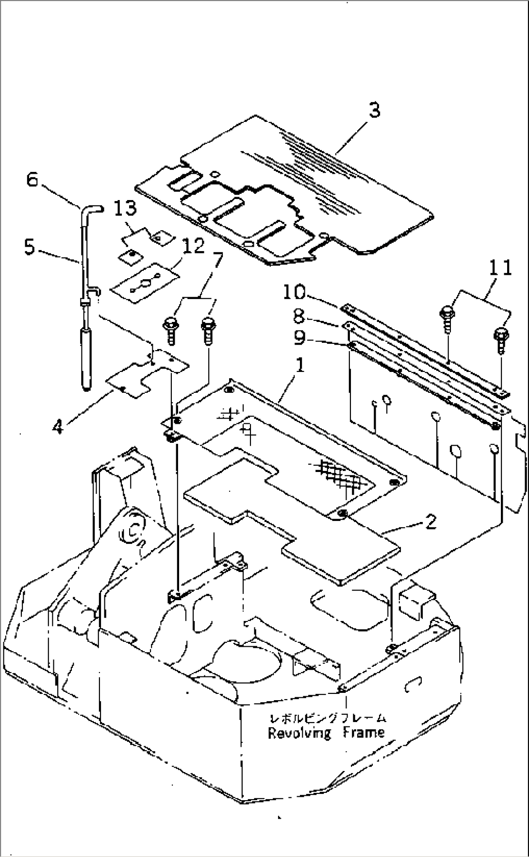
| Item | Part No. | Part Name | Qty | Serial No. |
| 1 | 20C-54-12111 | PLATE,FLOOR | 1001- | |
| 2 | 20C-54-11640 | SHEET | 1001- | |
| 3 | 20C-54-11630 | SHEET | 1001- | |
| 4 | 20C-54-11620 | PLATE,FLOOR | 1001- | |
| 5 | 20C-54-11670 | PIN | 1001- | |
| 6 | 21U-54-11530 | CAP | 1001- | |
| 7 | 01435-00816 | BOLT | 1001- | |
| 8 | 20C-54-11730 | SHEET | 1001- | |
| 9 | 20C-54-11720 | PLATE | 1001- | |
| 10 | 20C-54-11710 | PLATE | 1001- | |
| 11 | 01435-00820 | BOLT | 1001- | |
| 12 | 20C-54-11650 | SHEET | 1001- | |
| 13 | 20C-54-11680 | PLATE | 1001- |
