
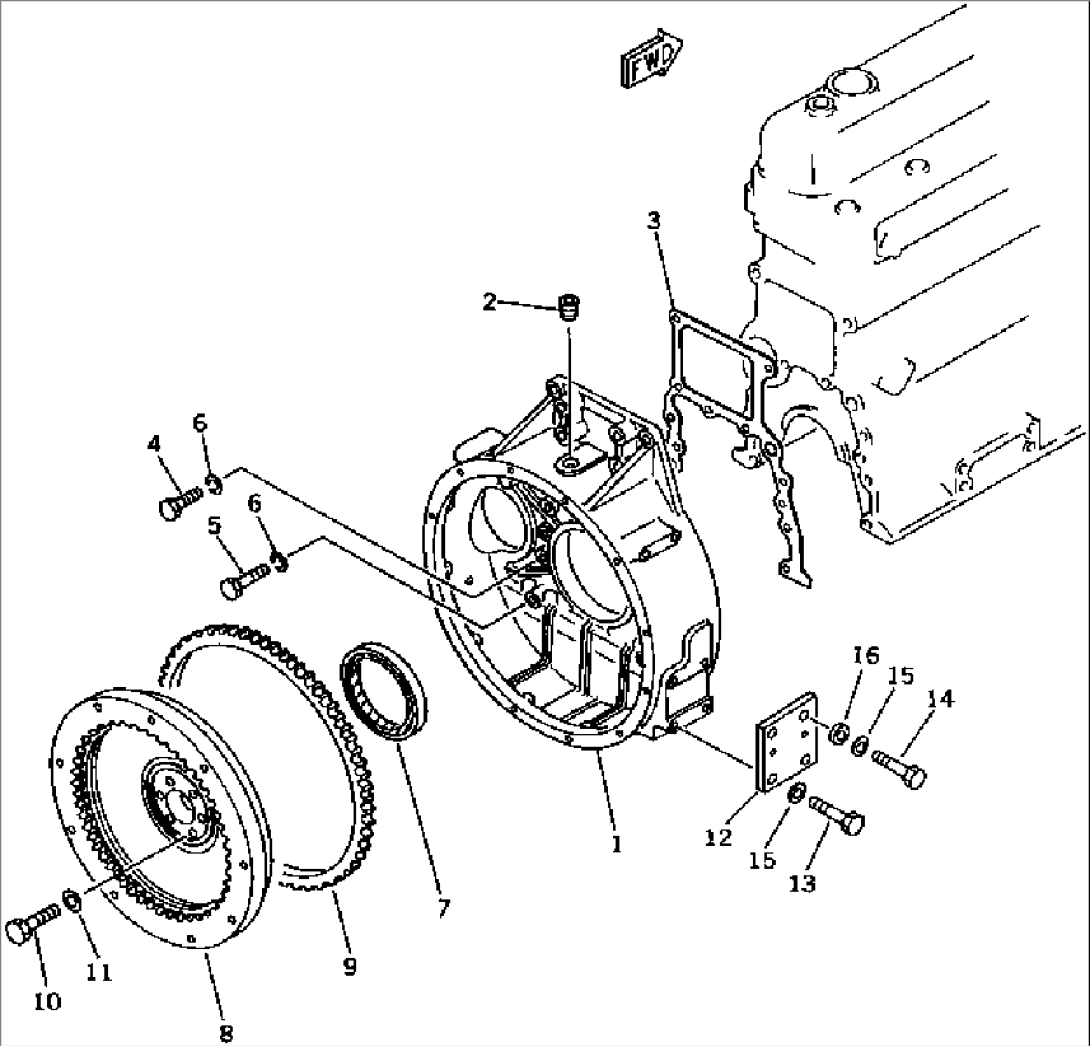
Item | Part No. | Part Name | Qty | Serial No. |
1 | 6136-21-4230 | HOUSING,FLYWHEEL | 86387- | |
2 | 02720-20810 | PLUG | 86387- | |
3 | 6136-21-4812 | GASKET (K2) | 86387- | |
4 | 01010-31240 | BOLT | 86387- | |
5 | 01010-31260 | BOLT | 86387- | |
6 | 01602-01236 | WASHER,SPRING | 86387- | |
7 | 6130-21-4231 | SEAL, REAR (K2) | 86387- | |
6136-31-1160 | FLYWHEEL ASS'Y | 86387- | ||
8 | \6\ | FLYWHEEL | 86387- | |
9 | 6130-32-1321 | GEAR,RING | 86387- | |
10 | 01050-31435 | BOLT | 86387- | |
11 | 6110-11-1620 | WASHER | 86387- | |
12 | 6137-21-4610 | PLATE | 86387- | |
13 | 01010-31235 | BOLT | 86387- | |
14 | 01010-31245 | BOLT | 86387- | |
15 | 01643-21232 | WASHER | 86387- | |
16 | 6131-22-3760 | BOSS | 86387- |