
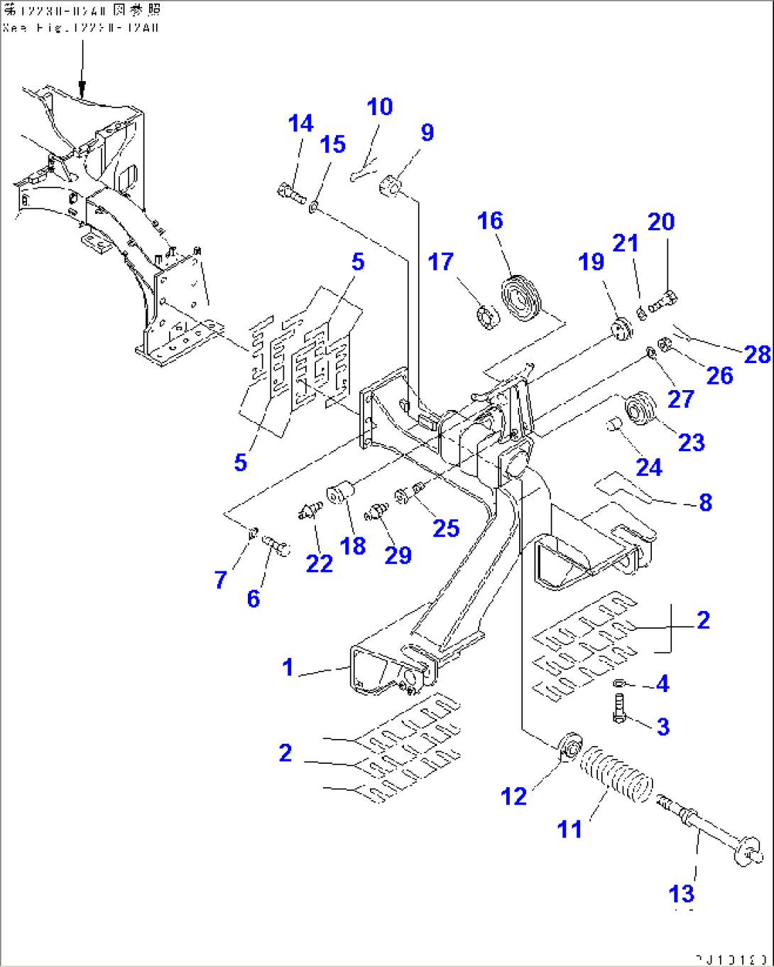
| Item | Part No. | Part Name | Qty | Serial No. |
| 1 | 176-71-41410 | FRAME ASS'Y | 31416- | |
| 2 | 176-71-00010 | SHIM ASS'Y | 31416- | |
| \6\ | SHIM,3.2MM | 31416- | ||
| \6\ | SHIM,2.3MM | 31416- | ||
| \6\ | SHIM,1.0MM | 31416- | ||
| 3 | 01018-12495 | BOLT | 31416- | |
| 4 | 01643-32460 | WASHER | 31416- | |
| 5 | 176-71-00030 | SHIM ASS'Y | 31416- | |
| \6\ | SHIM,2.3MM | 31416- | ||
| \6\ | SHIM,1.2MM | 31416- | ||
| \6\ | SHIM,0.5MM | 31416- | ||
| 6 | 01018-12080 | BOLT | 31416- | |
| 7 | 01643-32060 | WASHER | 31416- | |
| 8 | 176-71-41340 | SEAT | 31416- | |
| 9 | 01590-34850 | NUT | 31416- | |
| 10 | 04050-18085 | PIN,COTTER | 31416- | |
| 11 | 176-76-29120 | SPRING | 31416- | |
| 12 | 176-76-29130 | COVER | 31416- | |
| 13 | 176-76-29110 | ROD | 31416- | |
| 14 | 01010-81240 | BOLT | 31416- | |
| 15 | 01643-31232 | WASHER | 31416- | |
| 16 | 196-70-12410 | SHEAVE | 31416- | |
| 17 | 176-70-11530 | BEARING | 31416- | |
| 18 | 176-71-41210 | SHAFT | 31416- | |
| 19 | 176-71-41220 | HOLDER | 31416- | |
| 20 | 01010-81645 | BOLT | 31416- | |
| 21 | 01643-31645 | WASHER | 31416- | |
| 22 | 07020-00000 | FITTING,GREASE | 31416- | |
| 23 | 176-71-41170 | SHEAVE | 31416- | |
| 24 | 176-71-41180 | BUSHING | 31416- | |
| 25 | 176-71-41190 | SHAFT | 31416- | |
| 26 | 01590-33638 | NUT | 31416- | |
| 27 | 01643-33690 | WASHER | 31416- | |
| 28 | 04050-16065 | PIN,COTTER | 31416- | |
| 29 | 07020-00000 | FITTING,GREASE | 31416- |
