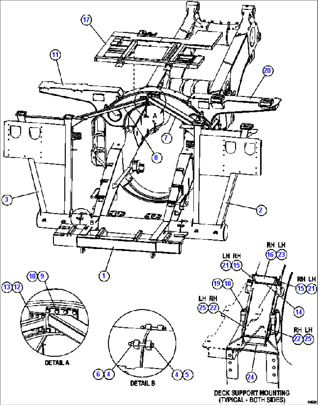
| Item | Part No. | Part Name | Qty | Serial No. |
| 1 | | FRAME, MAIN (1) | | |
| 2 | | UPRIGHT - L.H. (1) | | |
| 3 | | UPRIGHT - R.H. (1) | | |
| 4 | MM0465 | FLAT WASHER - M20 | | |
| 5 | MM0168 | CAPSCREW - M20 X 2.50 X 180 | | |
| 6 | MM0182 | NUT - M20 X 2.50 | | |
| 7 | | TUBE, ROPS - L.H. (1) | | |
| 8 | | TUBE, ROPS - R.H. (1) | | |
| 9 | 01643-32460 | FLAT WASHER - M24 (HARDENED) | | |
| 10 | MM0058 | CAPSCREW - M24 X 3.00 X 60 | | |
| 11 | EL1255 | SUPPORT, DECK - R.H. | | |
| 12 | 01643-31645 | FLAT WASHER - M16 (HARDENED) | | |
| 13 | MM0071 | CAPSCREW - M16 X 2.00 X 45 | | |
| 14 | EK3908 | BACKER | | |
| 15 | EK3905 | BACKER, VERTICAL - R.H. | | |
| 16 | EK3904 | PLATE, END CAP - R.H. | | |
| 17 | 58F-46-40010 | SUPPORT, DECK - CENTER | | |
| 18 | 01643-32060 | FLAT WASHER - M20 (HARDENED) | | |
| 19 | MM0109 | CAPSCREW - M20 X 2.50 X 90 | | |
| 20 | EL1256 | SUPPORT, DECK - L.H. | | |
| 21 | EK3910 | BACKER, VERTICAL - L.H. | | |
| 22 | EK3914 | BACKER - L.H. | | |
| 23 | EK3909 | PLATE, END CAP - L.H. | | |
| 24 | ED4792 | BACKER | | |
| 25 | EK3915 | BACKER - R.H. | | |
| NS|26 | | NOTE: (1) ORDER FROM FACTORY. | | |